분기 전선로는 두가지로 나눕니다. 하나는 지하에 매설하는 방식이고 다른 하나는 지상에 설치하는 것입니다. 그래서 Underground 와 Above ground 두가지로 나누에 설명할 수 있겠습니다.
1. 지하 매설 분기 전선로 설계 (Underground Raceway Design)
지하에 매설하는 분기 전설로는 두 가지로 나눌 수 있습니다. 하나는 Closed Conduit System (폐쇄형 전선관 시스템)과 Open Conduit System (개방형 전선관 시스템)이 있습니다. 이 두가지 Type에 대하여 자세히 알아보겠습니다.
1) 개방형 전선관 시스템 (Open Conduit System)
(1) 직매형
직매형의 경우 전선관 없이 케이블이 메인 트렌치에서 분기되어 부하까지 직접 매설되며, 직접 하중을 받기 때문에 케이블은 외장형(Armoured)이어야 하며 케이블 보호를 위해 출구 부분에 짧은 PVC Conduit 이 매입됩니다. 이 방식은 주로 직매형 트렌치 형태에서 많이 사용하고 있으며 콘크리트 트렌치에서는 잘 적용되지 않습니다.
STUP-UP 지점에 설치되는 CONDUIT는 일반적으로 아래 그림과 같이 콘크리트로 보호됩니다. 이는 사람들이 발에 케이블이 손상되는 것을 막아줍니다. 이 CONDUIT는 SEALING COMPOUND로 막아줍니다.

(2) 전선관 매설형
전선관 매설형의 경우 메인 트렌치와 부하 사이에 전선관이 매설됩니다. 전선관을 먼저 설치한 후 케이블 포설 전에 되메우기와 콘크리트 마감 작업이 가능합니다. 이 방법은 콘크리트 트렌치에서 케이블을 설치하기 전에 먼저 토목 작업을 마무리 지을 수 있어 선호되기도 합니다. 이 분기 전선관은 기기의 기초 콘크리트에 고정하여 마무리합니다.

2) 폐쇄형 전선관 시스템 (Closed Conduit System)
폐쇄형 전선관 시스템에서는 Duct Bank에서부터 부하의 단자함까지 전선관과 연결 부자재를 이용하여 케이블 노출 없이 연결되어야 합니다. 지하 매설 전선관은 콘크리트로 보호되어야 합니다. 방폭지역에서의 폐쇄형 전선관 시스템은 적용 규격에 따라서 다르게 적용해야 합니다.
미국 시스템의 경우 U/G CONDUIT가 지상으로 올라오면 케이블을 PULLING 하기 위해 CONDULET을 설치하고 그다음에 SEALING FITTING을 설치합니다. SEALING FITTING과 전동기 단자함 사이에는 FLEXIBLE CONDUIT로 연결하게 됩니다. 이 시스템은 국내 법규와는 맞지 않습니다. 국내는 TB에서 50mm 이내에 SEALING FITTING을 설치하라는 규정이 있어서 이에 맞추기 위해서 COMPOSITE CONDUIT라는 FITTING을 사용하고 있습니다.

CONDULET 과 SEAL FITTING은 아래 그림과 같은 자재입니다.

NEC에서 SEAL FITTING은 기기로부터 450mm 이내에 설치하도록 하고 있으며 DIVISION 2의 경우에는 중간에 COUPLING, UNION 등의 부품을 허용하고 있습니다.

KSC IEC60079-14에서 아래와 같이 규정하고 있습니다. SEAL FITTING의 설치 위치는 기기 외벽에서 전선관 크기 또는 50mm 중 작은 값 적용

KSC IEC60079-14
2. 지상 설치형 분기 전선로 설계 (Above ground Raceway Design)
1) 지상 분기 케이블 루트에 대한 설명
지상의 분기 회로에서는 케이블을 지지하기 위해서 개방형 전선관 시스템이나 천공 트레이가 사용됩니다. 지상 분기 회로는 일반적으로 대표적인 것만 설계로 보여주고, 현장에서 현장 조건과 전선관 지지를 고려하여 shop drawing 이란 것을 작성합니다.
아래 사진은 대용량 컴프레서의 전동기에 연결되는 케이블 사진입니다. 고압 전원 케이블과 작은 제어용 케이블이 포설 된 것을 볼 수 있습니다. 개방 전선관 시스템으로 구성되어 있으며 고압 케이블 지지용 덕트는 현장에서 현장 맞춤으로 제작된 것입니다.

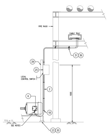
아래 사진의 경우에는 Pipe Rack에서 하부에 위치한 고압 전동기에 연결되는 케이블 루트를 보여주고 있습니다. 다음에서 설명할 Local Control Switch (LCS)용 Stanchion을 높게 설치한 후 그것을 지지대로 삼아서 케이블 전선관이 설치되고 케이블이 포설 된 것을 볼 수 있습니다.

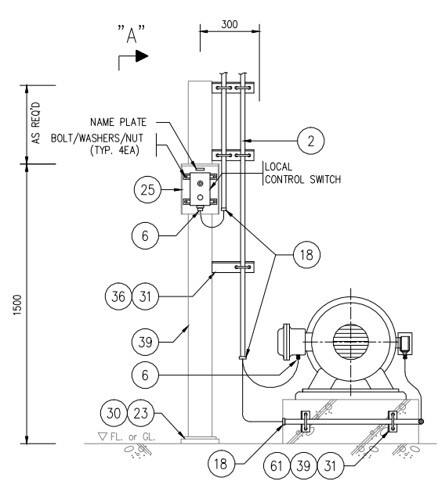
2) TYPICAL DETAIL OF SECONDARY BRANCH
Tray에서 전동기로 연결되는 지상 케이블 루트의 상세 도면입니다. 위의 사진에서 보이는 것과 유사한 방식입니다. LCS Stanchion은 보통 1.5m 높이이지만 이와 같이 Tray에서 내려오는 케이블을 지지하는 경우에는 최대 3m 높이까지 높여서 설치하게 됩니다. 3m가 필요한 이유는 P/R과 Pump 사이의 공간에는 작은 리프트 등이 다닐 수 있도록 3m의 공간을 요구하기 때문입니다. 이 Stanchion에서 앵글을 전선관 지지대로 연결하여 케이블 루트를 고정하게 됩니다.
아래 도면은 해외에서 Armoured Cable을 쓰는 경우에 적용되는 개방형 전선관 시스템이며 국내와 같이 Non-armoured Cable을 쓰는 경우에는 폐쇄형 전선관 시스템을 적용해야 하고 말단에 가요전선관을 적용하게 됩니다.

아래 도면은 Pipe Rack에 설치된 Tray에서 시작해서 전동기까지의 전체 루트를 보여주는 도면입니다. 일반적으로 Pipe Rack과 Pump 사이의 거리가 3m 정도를 유지하기 때문에 전선관이 3m는 별도의 지지 없이 설치될 수 있는 점을 고려하면 아래 도면과 같이 포설이 가능하게 됩니다. 만약 거리가 더 멀리 떨어져 있다면 Local Support를 추가로 설치해야 하는 문제가 발생합니다. 이 경우에는 가급적 전기가 별도의 지지대를 세우지 않고 배관 설계를 참고하여 배관용 지지대를 이용하는 것이 최선입니다.

3) 주의 사항
- 케이블 굽힘 반경은 배관 인출 포인트를 설계하기 위해 신중하게 고려되어야 합니다. 모터 단자 박스 높이는 벤더 도면의 첫 단계에서 확인하고 케이블 설치를 위한 충분한 공간을 유지하기 위해 벤더와 협의해야 합니다.
- 복잡한 패키지 장비를 위한 터미널 박스 위치는 벤더 인쇄물로 확인하고 케이블 경로 설계를 위한 배치도에 표시해야 합니다.
- 컴프레서 셸터 및 기타 복잡한 패키지 장비에 대해 2차 케이블 경로의 3D 모델링을 권장합니다.
- 폐쇄형 전선관 시스템의 경우 케이블 경로가 씰 피팅, 전선관, 유니언 및 가요 전선관을 포함한 많은 구성 요소로 전선관 인출 지점에서 터미널 박스까지 견고하게 연결되기 때문에 인출 지점 선정이 더욱 중요합니다.
- 소형 수직형 펌프는 도면상 단자함의 위치가 불분명하므로 주의를 기울여야 합니다.
'전기 Engineering > 전기 시스템의 계산과 분석' 카테고리의 다른 글
| 비율 차동 계전기의 원리와 적용 (1) | 2023.12.15 |
|---|---|
| 분기 전선로 설계 (Branch Raceway Design) - 2 (1) | 2023.11.24 |
| KEC적용 전동기용 MCCB (Metasol TM Type) 및 케이블 선정표 (0) | 2023.11.20 |
| Main Cable Route Plan - Cable Trench (0) | 2023.11.19 |
| Main Cable Route Plan - Duct Bank (1) | 2023.11.16 |