바이어스 차동 또는 비율 차동이라는 용어는 통과 전류에 따라 동작 임계값이 증가한다는 것에 근거합니다. 따라서, 동일한 위상의 업스트림 전류와 다운스트림 전류를 비교하는 것은 변압기 차동 보호에 있어서 용이하지 않습니다.
비율차동 보호는 고임피던스의 순환 전류보다 오래된 보호 설계입니다. 이 방식은 저압용 변압기를 제외한 2 권선 변압기에 널리 적용됩니다.

1. 기본 원리
1.1 기본 회로도

동작의 기본 형태와 원리는 아래 그림 1에 표현되어 있습니다. 바이어스 차동 계전기는 두 권선으로 구성되는데 하나는 권선수 No를 가진 동작 권선이고 다른 하나는 권선수 Nb를 가진 억제권선 혹은 바이어스 권선입니다. (이후에서는 바이어스 차동 계전기 대신에 비율 차동 계전기라고 씁니다)


이 계전기는 구역 내 고장에서 발생하는 불균형 전류 I1 - I2로 인한 작동력과 외부 고장 또는 부하 전류로 인한 바이어스 권선을 통과하는 순환 전류로 인한 구속력을 비교합니다.
1.2 동작 원리
동작을 위해서는 Io > B x Ib 가 되어야 합니다.


완벽성을 위해서 위의 표현은 IF를 추가하는 것이 필요합니다. 이는 계전기의 자연적인 억제력인 마찰을 극복하기 위한 전류를 나타냅니다.
1.3 정정 방법
그림2는 억제 B의 다양한 값들에 대한 동작/억제 특성들을 보여줍니다.
최신 계전기들은 위의 특성들을 전자 회로에 내장 시켰습니다.


위의 내용은 평균 바이어스라고 하는 릴레이에 적용됩니다. 부하 바이어스라고 하는 대안적인 접근 방식은 차동 전류 Io (바이어스 권선의 절반을 통해서도 흐르는)와 바이어스 권선의 양쪽 절반을 통과하는 바이어스 전류 Ib의 관점에서 릴레이 특성을 분석합니다.

제조사의 자료는 위의 두가지 중 하나의 용어로 계전기의 성능을 분석하는 경향이 있습니다. 이 자료의 남은 부분에서는 평균 바이어스 특성을 사용한다는 것을 전제하여 설명합니다.
1.4 장 단점
차동 계전기는 저임피던스 계전기이며 다음과 같이 고임피던스 계전기와 비교됩니다:

1.4.1 바이어스 방식의 이점
1) 계전기가 저임피던스 방식이기 때문에 보다 낮은 knee point와 낮은 정밀도를 가진 CT에서도 동작할 수 있음
2) 고임피던스 방식에 비해서 계전기 정정 계산이 덜 복잡함
1.4.3 바이어스 방식의 단점
1) 고임피던스 방식만큼 예민하지 않음
2) 고임피던스 방식에 비해 회로가 복잡함
2. 2권선 변압기에 대한 적용
그림 3은 2-권선 변압기에 대한 비율 차동 방식의 적용을 보여줍니다 (그림은 단 하나의 위상만 표시됨).

변류기의 비율은 주의 깊게 선택되어야 합니다. 이는 이차 전류 Is가 동작권선으로 흘러들어가지 않고 억제권선 주변을 순환하도록 하기 위해서입니다.
그러나 2권선 변압기는 본질적인 이유로 다음과 같이 전류를 동작권선으로 흘려보내게 됩니다.
2.1 자화 돌입 전류
The phenomenon of magnetizing inrush current occurs when a transformer is energized. When the primary side of a transformer is energized from the supply system, with the secondary on open-circuit, it acts as a simple inductive reactor.
자화 돌입 전류 현상은 변압기에 에너지가 공급될 때 발생합니다. 변압기의 1차측으로 공급 계통에서 에너지가 공급되고 2차측이 개방될 때 단순 유도 리액터 역할을 합니다.
철손을 무시하면 변압기의 입력 전류는 자화 임피던스에 의해 제한되는 자화 전류입니다.

이 전류는 공급원에 연결된 권선에서만 흐르기 때문에 편향된 차동 동작 권선으로 유출 전류가 발생합니다.
자화 돌입은 전류의 2차 하모닉 성분이 크기 때문에, 상기 그림 3과 같이, 동작 권선에서 자화 돌입 전류의 영향을 상쇄하기 위해 2차 하모닉 전류에 반응하는 바이어스 권선을 추가로 배치하는 것이 일반적입니다.
2.2 변압기의 탭 절환
대부분의 대형 변압기에는 탭 절환 장치가 장착되어 있습니다. 그러면 비율 차동 계전기에 공급되는 변류기의 비율이 한 탭 위치에서만 변압기의 비율과 일치하게 됩니다(일반적으로 공칭 탭이 되도록 배열됨).

다른 탭 위치에서 변류기 2차 전류는 평형을 이루지 않습니다. 이것은 계전기 동작 권선에 누설 전류가 흐르게 합니다. 계전기 바이어스는 최악의 누설 전류에 대한 보상을 제공하도록 세팅이 되어야 합니다.
이는 탭 체인저를 최대(또는 최소) 탭으로 선택한 경우 발생하며, 이는 변압기를 통해 흐르는 가장 높은 구역 외부 고장 전류와 일치합니다.

3. 실제 적용
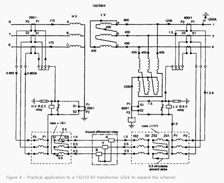
아래 그림 4는 132/33kV 변압기에 대한 비율차동 계전기의 실제 적용 사례를 보여줍니다.

이 적용 사례의 키포인트는 다음과 같습니다.
3.1 Point 1

고압부과 저압부의 Restricted-earth-fault 회로와 연계된 비율 차동 보호 회로
이것은 민감성 (Sensitivity)의 이유 때문입니다. 변압기가 저항 접지인 경우에 변압기 권선 지락 고장으로 인한 전류는 상대적으로 낮고 보호되어야 하는 권선의 비율이 수용할 수 없을 정도로 낮을 수 있기 때문입니다. (즉 어느 지점에서 지락이 발생했느냐에 따라 비율차동계전기로 보호될 수도 있고 안될 수도 있는데 안되는 범위가 너무 크면 보호를 하는 이유가 없기 때문)
3.2 Point 2

2차 회로 배선은 1차 연결을 모방하도록 배치됩니다. 따라서 1차에서의 통과 전류는 2차에서도 동작 권선으로 유출되는 전류가 없이 상응하는 전류 균형을 만들어 냅니다 (탭 체인저가 공칭 탭을 벗어남으로 인한 것은 제외).
3.3 Point 3

스타-델타-스타 배치 중계 변압기의 배열은 다소 혼란스러워 보일 수 있습니다. 지락 영상 전류는 33kV에서 트랜스포머의 132kV 측으로 전달될 수 없기 때문에(즉, 델타-스타 권선을 통해 흐를 수 없음), 중계 변압기 2차 권선에서 걸러져야 합니다.
스타-델타-스타 변압기는 이것을 만들어냅니다.
이 중계 변압기의 P1 권선을 통해서 흐르는 지락 전류는 위상이 모두 같은 정상, 역상, 영상 전류로 구성되어 있습니다. (일반적인 지락 고장 범주입니다.)
영상 전류는 비접지 스타 권선인 1S1, 1S2에서 흐를 수 없습니다. 그래서 변압기 전체에서 전류 균형을 얻기 위해서 델타 권선인 2S1, 2S2에서 내부 순환하게 됩니다.
3.4 Point 4


지그재그 접지 변압기는 33kV 계통의 접지를 위해서 일반적으로 사용됩니다.
이 변압기는 균형 잡힌 3상(정성 시퀀스) 전압에는 높은 임피던스를 제공하지만, 동상(영상 시퀀스) 전압에는 낮은 임피던스를 제공합니다. 이는 권선들이 영상 시퀀스 상태에서는 각 코어에서 반대되는 자속들을 생성하기 때문입니다.
3.5 Point 5

그림 4는 구역 외부 지락 고장에 대해 전류 균형이 달성되는 방법을 보여주며, 그림 5는 해당 위상 시퀀스 네트워크를 보여줍니다.
만약 고장이 구역 내부에서 발생한다면 (33kV 권선과 800/1 CT 사이) 고장 전류가 800/1 중성점 CT를 통해서만 흐르게 되어 LV 쪽 REF 계전기를 동작 시키게 됩니다.
또한 스타-델타-스타 중계 변압기를 통한 전류 흐름은 사실상 없을 것입니다. 따라서 스타-델타 중계 변압기에서 흘러나오는 전류가 비율 차동 계전기 동작 권선으로 흐르게 됩니다.
비율 차동 계전기는 단지 정상과 역상 전류에만 반응하도록 결선되어 있다는 것을 인지하는 것이 가치 있는 것입니다. (계전기의 스타 포인트로부터 영상전류의 리턴 경로가 없다는 것입니다.)
참고 자료: https://electrical-engineering-portal.com/biased-differential-protection
The term biased-differential or percentage differential is based on the fact that the operating threshold increases with the through current.
electrical-engineering-portal.com
#비율차동계전기의원리#바이어스차동계전기#동작권선과억제권선#평균바이어스#부하바이어스#자화돌입전류대책#변압기탭절환대책#Interposing_current_transformer#중계변압기#REF_Relay
'전기 Engineering > 전기 시스템의 계산과 분석' 카테고리의 다른 글
| Selectivity(선택성) in MV/HV network protection (1) | 2024.01.02 |
|---|---|
| Cable Pulling Tension Calculation (3) | 2023.12.31 |
| 분기 전선로 설계 (Branch Raceway Design) - 2 (1) | 2023.11.24 |
| 분기 전선로 설계 (Branch Raceway Design) - 1 (0) | 2023.11.24 |
| KEC적용 전동기용 MCCB (Metasol TM Type) 및 케이블 선정표 (0) | 2023.11.20 |