플랜트 전기 엔지니어링에서 중요한 요소 중의 하나가 전선로 설계 (Main Cable Route)입니다. 전선로는 변전소에서 부하로 나가는 케이블의 주요 루트에 대한 설계로 일반적으로 세 가지 방식 중 하나를 선정합니다 Duct Bank와 Cable Trench와 Cable Tray 중에 하나를 선택하게 됩니다. 상세 설계 엔지니어링에서 결정하는 것은 아니고 발주처의 선호도에 따라서 FEED 단계에서 결정되어 전달되는데 이 기본 루트를 실제로 적용하기 위한 상세 설계가 필요합니다.
Main Cable Route Design의 기본에 대해서 Shell DEP 33.64.10.10-Gen에서는 다음과 같이 정의하고 있습니다.
"공장 레이아웃을 설계하는 초기에 타 부문과의 협의하에 케이블 포설을 위한 지하나 지상의 공간을 확보하는 것이 매우 중요합니다. 수치가 포함된 전선로 계획이 준비되어야 합니다.(7.4.2.6)"
즉 케이블을 포설할 공간의 확보라는 개념이 제일 중요합니다. 초기에 공간이 확보되지 않으면 추후에 케이블 포설에 엄청난 어려움을 겪게 되며 이는 비용의 상승으로 직결됩니다.
1. 덕트 뱅크 (DUCT BANK)
이번 포스팅에서는 그 첫 번째 방식인 Duct Bank 방식에 대하여 살펴보겠습니다.
1) 덕트 뱅크 시스템의 개요
덕트 뱅크는 전선을 보호하고 루트를 제공하기 위해 다수의 전선관을 모아둔 것을 의미합니다. 콘크리트로 보강된 이 전선관들은 향후에 땅을 파지 않고 전선을 제거하거나 교체할 수 있도록 해 줍니다.
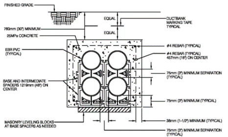
아래의 그림에서 보면 덕트 뱅크를 구성하는 몇 가지 요소를 볼 수 있습니다.
전선관, 스페이서 (전선관 지지용), 철근, 콘크리트, 바닥 블록 (시멘트로도 가능)

덕트 뱅크의 기본적인 구조
덕트 뱅크는 아래의 사진처럼 땅을 깊이 파고 바닥을 다진 후 전선관을 배치시키고 콘크리트를 타설 할 수 있도록 폼을 설치하고 마지막으로 콘크리트를 타설 하여 마무리하게 됩니다. 물론 흙을 되메우기 하는 마지막 처리가 남아 있습니다.

덕트 뱅크의 시공 사진
2) 덕트 뱅크의 강점
- 조기 설치 후 덮고 마감할 수 있음 - 케이블을 시공 후 설치할 수 있기 때문임
- 기존 케이블을 쉽게 교체 가능함 - 시공 후 운전 중에도 케이블의 교체가 용이함
- 케이블의 물리적 손상을 보호함 - 외부 충격에서 케이블 보호가 뛰어남
- 비외장 케이블(NON-ARMOURED) 사용 - 전선관과 콘크리트로 보호됨

금속제 전선관 덕트 뱅크

비금속제 전선관 설치 시공

스페이서 사진
비금속제 전선관을 사용하는 경우에는 콘크리트 타설 시에 전선관이 압력을 받아서 손상될 가능성이 있기 때문에 이를 보호하기 위해서 위의 그림처럼 스페이서라는 받침대를 사용하게 됩니다.. 위의 사진에서도 이런 종류의 스페이서가 적용된 것을 볼 수 있습니다.
3) 덕트 뱅크의 단점
- 케이블 사이즈 확정 전에 조기 설계해야 함
- 덕트를 추가하거나 삭제할 수 없음
- 공간이 많이 필요하여 깊이 파야 해서 비용이 많이 소요됨
4) 덕트 뱅크의 설계 기준
- 전선관 사용 비율 (CONDUIT FILL RATIO) (NEC)

- 전선관 사용 비율 (CONDUIT FILL RATIO) (KEC)


- 하나의 전선관에 삽입 가능한 기준
- NEC300.20 : 3 X 1C POWER CABLE + GROUNDING CABLE (IF REQUIRED)
- SMALL LV MOTOR : 3C POWER CABLE + CONTROL CABLE
- LARGE LV MOTOR : 1 CONDUIT FOR POWER CABLE, 1 CONDUIT FOR
CONTROL CABLE + HEATER CABLE (IF REQUIRED)
- MV MOTOR : 1 CONDUIT FOR POWER CABLE, 1 CONDUIT FOR
CONTROL CABLE + SPACE HEATER CABLE + RTD CABLE
- SMALL POWER CABLE : ACCORDING TO CONDUIT FILL RATIO
- 전선관 적용에 대한 샘플 프로젝트 스펙

- 도로를 넘어가는 덕트 뱅크의 시설 방법
도로 한계를 500mm 초과하여 시설하여야 함. 대형 공사 장비가 운행하는 곳에는 대형 장비의 크기를 고려하여 여유 있게 시설할 것

- 전선관 배치 방법 – 간격 50mm, 양단 50mm

5) 덕트 뱅크 내에서 전선관의 이격 거리

6) 풀 박스 크기 PULL BOX SIZING (NEC 314.28)
3가지 기준이 있습니다.
(1) 수평 길이 - 가장 큰 전선관의 8배로 선정
(2) 수직 길이 - 가장 큰 전선관의 6배 + 다른 전선관의 사이즈
(3) 직각 간격 - 가장 큰 전선관의 6배


- 전선관 풀 박스의 잘못된 시공 예

7) MANHOLE 설치 기준
- NEC 100-V에 따른 맨홀의 설계
- 최소 요구 조건:
- 내부 공간 높이: 1.8 M
- CABLING SPACE: BETWEEN TRAYS 900 mm
- 출입구 사이즈: 650 X 550 mm
- 케이블의 곡률 반경이 고려되어야 함.
- 설계 시에 방수 구조를 충분히 고려해야 함. (SUMP PIT 설치도 고려)
- 비방폭 지역에 설치해야 함
- 방폭지역에 설치되는 맨홀은 모래를 채워서 가스가 모이지 못하게 해야 함


8) 케이블 풀링 텐션(PULLING TENSION) 계산
케이블을 포설할 때 전선관 내에 많은 저항이 발생하고 케이블 자체에 스트레스가 발생하게 됩니다. 이 Pulling Tension 계산은 케이블이 손상되지 않고 끌 수 있는 최대의 힘이 얼마인지 계산하는 것입니다.
이 계산은 직선 구간과 곡선 구간의 계산식이 다른데 각각의 구간별로 계산된 값을 더해서 산출됩니다. 아래의 수식은 미국 단위를 사용한 계산식입니다.


이상에서 전선로 설계 방법 중에 덕트 뱅크에 대하여 알아봤습니다. 덕트 뱅크는 주로 미국에서 선호하는 방식으로 미국의 영향이 강한 곳에서 주로 사용됩니다. 그러나 도로를 통과하는 곳이나 하중이 높은 장소를 통과하는 케이블의 포설에는 지역과 상관없이 사용되는 방법입니다.
전선로의 설계에 대하여 잘 이해하고 적용하는 데 도움이 되기를 바랍니다.
'전기 Engineering > 전기 시스템의 계산과 분석' 카테고리의 다른 글
| KEC적용 전동기용 MCCB (Metasol TM Type) 및 케이블 선정표 (0) | 2023.11.20 |
|---|---|
| Main Cable Route Plan - Cable Trench (0) | 2023.11.19 |
| IEC 60287 케이블 사이징 - 시스 손실 계산 방법 (0) | 2023.11.08 |
| IEC 60287 케이블 사이징 - 유전체손 계산 방법 (0) | 2023.11.08 |
| IEC 60287 케이블 사이징 - 플로우 차트와 AC 저항 계산 (1) | 2023.10.24 |