이번 포스팅은 저압 회로에서 2차 선택 시스템 (Secondary Selective System)을 채용하는 경우에 적용되는 ATS (Automatic Transfer System)에 대한 설명입니다. EEP의 자료를 번역해서 제공하는 것이며 포스팅 아래쪽의 참고 자료 부분을 보시면 원본 자료를 확인하실 수 있습니다. (원본 자료는 유료 자료입니다.)
저압 자동 절체 회로 (LV Automatic Transfer Scheme)
최신 전력 시스템에서는 특히 정전으로 인해 상당한 운전 중단과 재정적 손실이 발생할 수 있는 시설에서는 안정적이고 지속적인 전기 공급을 보장하는 것이 매우 중요합니다. 변전소의 저전압 자동 절체 시스템은 고장이나 정전 시 서로 다른 전원으로 원활하게 전환하여 이러한 연속성을 유지하는 데 중요한 역할을 합니다.

변전소 저압 보조 전원 계통의 ATS 개요 및 로직 분석
이 글에서는 변전소의 저전압 자동 절체 회로의 복잡성에 대해 살펴봅니다. 이러한 시스템의 설계와 구현 방식을 살펴보고 다양한 ATS 구성 요소와 그 기능에 대한 자세한 설명을 제공합니다.
이 프레임워크 내에서 저전압 버스 커플러 (Bus Coupler)는 브리지 역할을 하여 서로 다른 버스 바 간의 전력 동기화 와 버스 절체를 용이하게 합니다. 연동 메커니즘은 이러한 시스템의 안전성과 신뢰성을 더욱 향상시켜 전력 충돌이나 과부하의 위험 없이 원활하게 작동할 수 있도록 보장합니다.
모든 전력 배전 네트워크의 중추를 형성하는 AC 전력 단선도에 대한 개요로부터 설명을 시작하겠습니다. 그런 다음 비상 상황에서 백업 전력을 위한 중요한 요소인 디젤 발전기 전원 공급 인입 판넬을 살펴봅니다. 저전압 버스 커플러의 기능과 중요성도 분석하여 전력 배전 시스템의 유연성과 신뢰성을 향상시키는 역할을 보게 됩니다.
저전압 변전소 자동 절체 회로 내의 연동 메커니즘을 면밀히 조사하여 충돌하는 동작을 방지하고 안전하고 효율적인 절체를 보장하는 데 있어 그 중요성을 확인합니다. 자동, 수동 및 오프 작동 선택을 포함한 변압기 선정 로직의 작동에 대해서 실제 응용에 대한 포괄적인 이해를 제공하기 위해 철저히 논의됩니다.
이 포스팅을 통해서 변전소의 저전압 자동 절체 방식에 대한 작동 원리, 설계 고려 사항 및 실용적인 구현 전략을 명확하게 파악할 수 있게 됩니다.
이 글은 숙련된 전문가이든 이 분야를 처음 접하는 사람이든, 전력 분배에서 이러한 중요한 시스템에 대한 이해와 적용을 향상시킬 수 있는 지식을 제공하기 위한 목적입니다.
(아래 내용에서 Panel을 판넬 혹은 배전반으로 번역했습니다. 이것은 현장에서 쓰는 용어로 표현한 것입니다. 패널은 아무래도 다른 쪽 용어 같아서 판넬로 쓴 것으로 양해 바랍니다.)
목차:
1. 변전소의 저전압 자동 절체 방식
2. AC 전력 단선도
3. 보조 전원 변압기 공급 인입 판넬
4. 250kVA 디젤 발전기 공급 인입 판넬
5. 저전압 버스 커플러
6. 저전압 변전소 자동 절체 방식으로 연동:
6.1 AC 전원 공급 옵션
6.2 백업 전력을 위한 채택된 체계
6.3 인터록 메커니즘
6.4 인터록의 중요성
7. 자동 절체 회로의 운전:
7.1 자동 운전
7.2 수동 운전
7.3 오프 작업 선택
1. 변전소 저압 계통의 자동 절체 방식
변전소에는 보조 변압기에서 제공하는 저압 전원 공급 장치 (종종 보조 공급 장치라고도 함)가 설치되어 있습니다. 변전소 내에는 하나 이상의 보조 변압기가 있을 수 있습니다. 변전소 운영의 중요한 특성을 고려할 때, 보조 공급에 실패할 경우 백업 운전을 보장하기 위해 이중화가 필수적입니다.
이중화를 달성하기 위한 한 가지 접근 방식은 두 개의 보조 변압기를 설치하는 것입니다. 한 변압기에 장애가 발생하면 다른 변압기에서 계속 전력을 공급할 수 있습니다. 이러한 보조 변압기는 배전 변압기로부터 전력을 공급받으며, 배전 변압기는 다시 메인 전력 변압기로 구동됩니다.
예를 들어 132/11kV 변전소에서는 전력 변압기에 의해 전압이 132kV에서 11kV로 내려간 다음 배전 변압기에 의해 11kV에서 400V 급으로 내려갑니다.
검토 중인 변전소의 특정 경우, 132kV 피더가 하나만 있는 경우, 이 라인의 고장 또는 유지 보수는 변전소의 완전한 정전으로 이어질 수 있습니다.
따라서 보조 변압기가 두 개 있다고 해서 충분한 이중성을 제공하지는 않습니다. 이 문제를 해결하기 위해 백업 250kVA 발전기가 사용됩니다. 이 발전기는 132kV 라인에 장애가 발생하거나 보조 변압기에 장애가 있거나 유지 보수를 하는 경우 변전소에 계속 전력을 공급할 수 있도록 보장합니다.
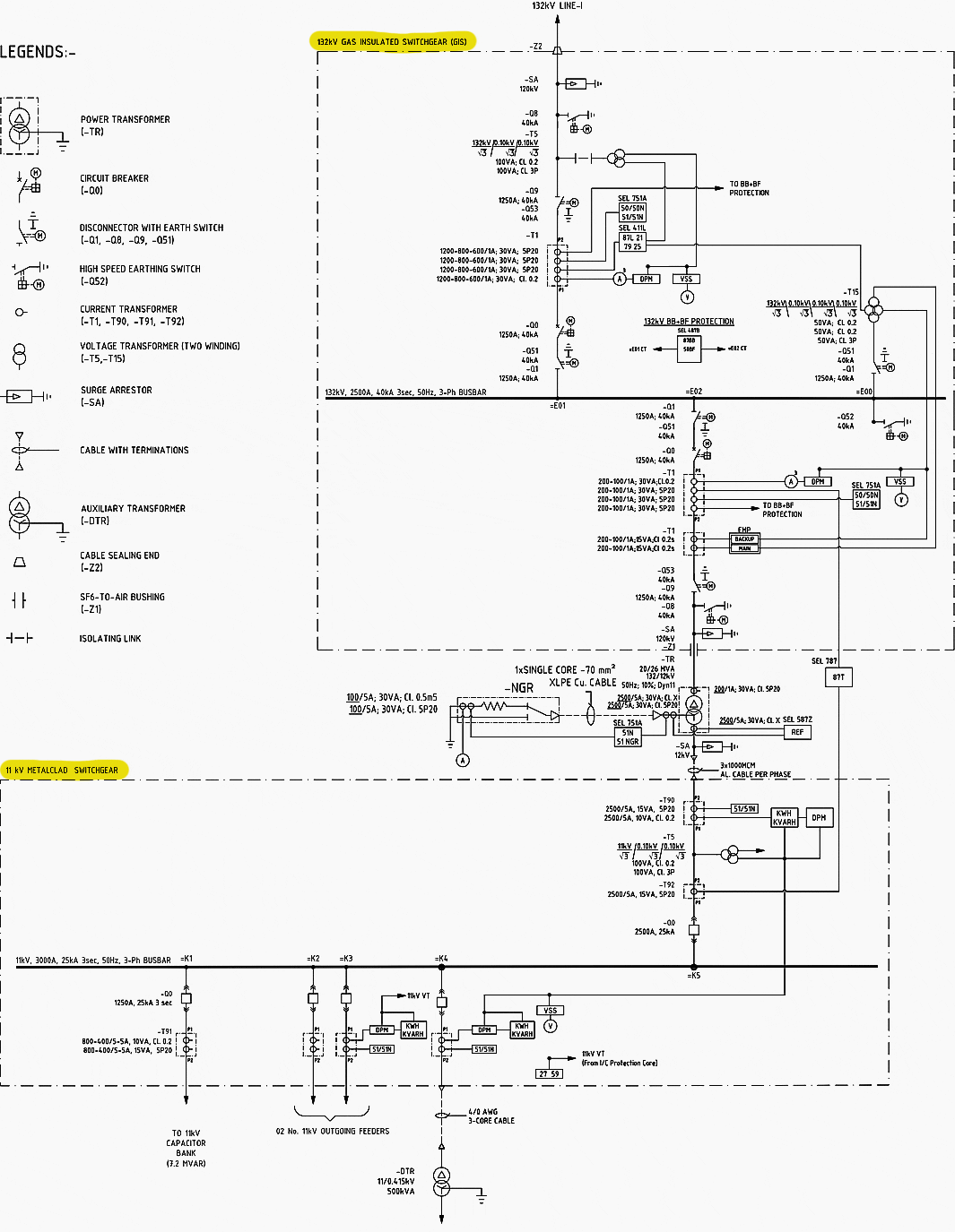
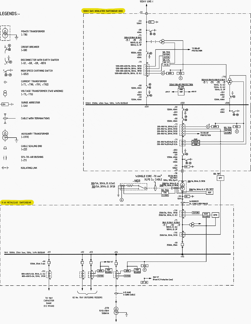
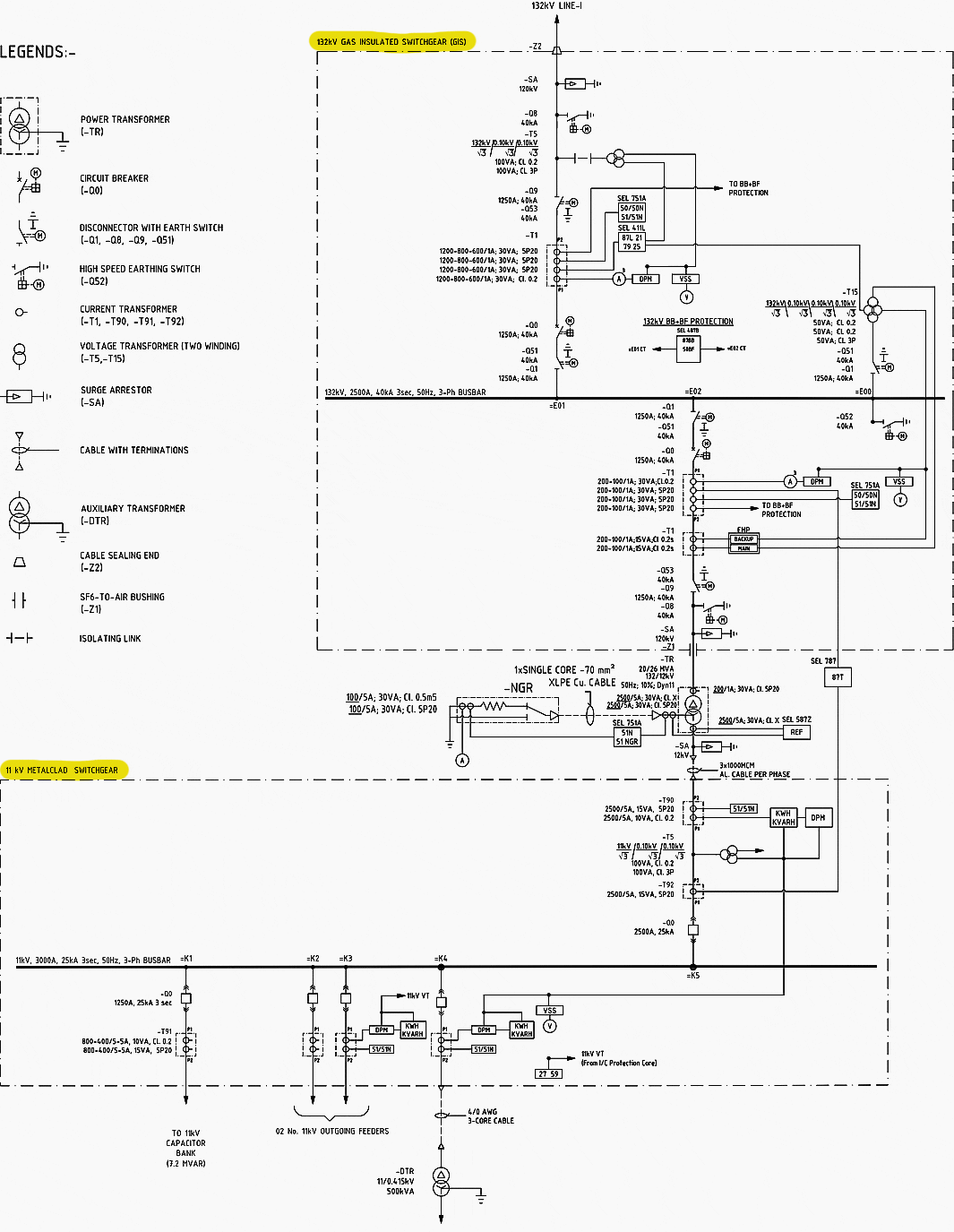
Figure 1 – 132 kV substation single line diagram

2. AC 전원 공급 배전반 단선도
이 예에서 변전소는 단일 AC 저전압 공급기 방식을 사용합니다. 132kV 전송 라인으로 공급되는 보조 변압기 하나가 있는 132kV 변전소입니다. 이 라인은 132/11kV 변압기에 연결되어 전압을 11kV까지 낮춘 다음 11/0.4kV 배전 변압기를 사용하여 저전압(LV)까지 내려갑니다. 132kV 라인이 고장 나면 변전소의 공급이 중단됩니다.
이러한 위험을 완화하기 위해 백업 발전기가 제공됩니다. 변전소에는 AC 인입 배전반의 단선도를 보여주는 그림 2와 같이 버스 타이가 있는 두 대의 LV 버스가 있습니다.
버스 바는 필수 버스와 일반 부하 버스로 지정됩니다. 변전소의 전원 연결은 필수 부하와 일반 부하의 두 가지 범주로 나뉩니다. 발전기는 보조 전력 용량에 대한 전체 백업을 제공하지 않으며 필수 부하만 공급한다는 점에 유의하는 것이 중요합니다.
필수 부하에는 비상 조명, DC 배터리 충전기 공급, 소방 시스템, 화재 경보 시스템 공급 및 기타 중요 장비가 포함됩니다. 또한 동기화 시설이 제공되지 않아 발전기가 국가 전력망과 병렬로 작동할 수 없습니다.
따라서 배전반에는 안전한 작동을 보장하기 위해 인터록 장치가 포함되어 있습니다.
Figure 2 – The Single Line Diagram of the Substation Auxiliary Supply Panel (click to zoom)

3. 보조 변압기 공급 인입 배전반
그림 2를 참조하면 11/0.4kV 변압기의 LV 측에서 나오는 저전압(LV) 인입 피더를 보여줍니다. 변압기의 LV 측은 중성선을 포함한 4선 시스템으로 와이 결선으로 연결됩니다. 변전소 서비스 변압기라고도 하는 보조 변압기는 일반 전원 버스에 연결되어 있습니다.
케이블 연결 쪽에는 저전압 및 과전압 릴레이가 장착되어 있습니다. 한도를 초과하는 전압 변동이 발생하면 인입 회로 차단기(ACB)가 적절한 시간 지연 후 트립 됩니다. 또한 저전압 또는 과전압 릴레이는 전압의 상실을 감지하여 궁극적으로 인입 차단기 Q01을 트립 시킵니다.
즉, 그리드 전압 공급이 실패할 경우 이 방식은 버스에서 보조 공급을 자동으로 격리합니다.
또한 단상 전압계가 피더의 케이블 측에 연결되어 있습니다. 이를 통해 케이블에 전원이 공급되는 즉시 전압을 모니터링할 수 있습니다. 전압계는 상 선택 스위치에 연결되어 각 상 전압을 개별적으로 확인할 수 있습니다. 따라서 이 전압계는 라인 측 전압을 나타냅니다.
다음으로 100/5 A의 비율을 가진 전류 변압기(CT)를 연결합니다. 이것은 3상 전류 변압기이며 CT의 극성 표시도 볼 수 있습니다. 여기서 P1은 케이블 쪽에 있고 P2는 버스 쪽에 있습니다. CT의 2차 배선은 전력량계, VAR 미터 및 전류계에 추가로 연결됩니다.
Figure 3 – Wiring Diagram of the Substation Auxiliary Supply Panel (click to zoom)

각 상을 나타내는 빨간색, 노란색, 파란색의 3상 표시등이 제공됩니다. Q01은 1000A 연속 전류 및 65kA 단시간 등급의 공기 차단기(ACB)입니다. "M"은 ACB가 모터로 작동 중임을 나타냅니다. 차단기는 여러 피더가 연결된 LV 버스에 연결되어 있습니다.
버스 바에 전력을 공급하는 피더를 인입 피더 또는 인입 회로 차단기라고 하며, 버스 바에서 전력을 공급하는 피더를 인출 피더 또는 인출 회로 차단기라고 합니다.
버스 방식에는 두 개 이상의 피더가 인입될 수 있습니다.
버스의 정격은 1000A, 65kA, 415볼트, 50Hz입니다. 인입 차단기와 버스의 연속 전류 용량 등급은 동일하다는 점에 유의하는 것이 중요합니다. AC 버스 전송 방식 또는 AC 방식을 설계할 때 이러한 점을 고려해야 합니다. 버스의 단시간 등급은 65kA로 인입 차단기와 비슷합니다.
단락 정격은 해당 전압 레벨의 최대 고장 레벨에 따라 달라지며 모든 배전반에 대해 동일해야 합니다. 연속 전류 정격은 연결된 부하(이 경우 1000A 미만)에 따라 달라지므로 버스 및 차단기 정격은 1000A로 선택됩니다.
버스에는 전압 표시도 제공됩니다. 상 선택 스위치(V)가 있는 단상 전압계가 직렬로 설치되어 있습니다. 한 번에 하나의 상 전압을 확인할 수 있으며, 셀렉터 스위치를 사용하면 다른 상 전압도 확인할 수 있습니다. 전압 회로를 보호하기 위해 MCB가 제공됩니다. 배전반에는 경보기 (Annunciator)도 제공됩니다.
또한 이 인입 배전반에서 히터 표시등과 팬 온/오프 제어를 볼 수 있습니다. 보조 변압기 인입 배전반은 비필수 부하가 연결된 일반 부하 버스에 연결되어 있습니다. 비필수 부하는 변전소 보조 공급이 실패했을 때 끌 수 있는 부하입니다.
Figure 4 – The Single Line Diagram of the Auxiliary Transformer Incoming Panel

4. 250kVA 디젤 발전기 공급 인입 배전반
디젤 발전기는 메인 AC 공급이 고장 났을 때 필수 부하에 대한 전력의 연속성을 보장하기 위해 변전소에 예비 전원 공급 장치로 제공됩니다. 디젤 발전기 전원 공급 장치의 구성은 보조 공급 인입 배전반과 매우 유사하며 장비 등급에는 약간의 차이가 있습니다.
아래 그림 5를 참조하세요.
디젤 발전기 설정의 전류 변환기(CT)의 정격은 400/5A이며, 기본 전류는 400암페어이고 2차 전류는 5암페어임을 나타냅니다. CT는 전류를 80배 감소시키므로 160암페어가 1차 측에 흐르면 2차 전류는 2암페어가 됩니다. 이 400/5 A의 CT 등급은 보조 공급 배전반의 1000/5 A 등급보다 낮습니다.
이는 디젤 발전기 인입 배전반이 변전소의 전체 부하를 지원할 수 없으므로 필수 부하 버스에 연결되어 있음을 나타냅니다.
필수 부하는 보조 전원 공급 장치가 고장 났을 때 작동 상태를 유지해야 하는 중요한 시스템입니다. 여기에는 배터리 충전기 공급 장치 및 비상 조명과 같은 시스템이 포함됩니다.
Figure 5 – The Single Line Diagram of the Diesel Generator Incoming Panel

디젤 발전기 배전반에서 Q02로 지정된 공기 차단기(ACB)는 보조 공급 인입 배전반의 1000암페어 등급에 비해 400암페어 등급입니다. 이 차이는 발전기 패널이 더 작은 부하를 처리하도록 설계되었음을 나타냅니다.
디젤 발전기 인입 배전반은 케이블 측과 버스 바 측 모두에 전압계가 장착되어 있어 두 지점 모두에서 전압 모니터링이 용이합니다.
또한 디젤 발전기 배전반에는 저전압 및 과전압 릴레이가 포함되어 있습니다. 이 릴레이는 지정된 기간 동안 전압이 설정된 한계를 초과하거나 그 이하로 떨어지면 인입 차단기를 트립 시킵니다. 이 메커니즘은 백업 전원 공급의 안정성을 보장하고 전압 변동으로 인한 변전소 장비의 손상을 방지합니다.
디젤 발전기 시스템은 이러한 중요한 구성 요소와 안전 메커니즘을 제공함으로써 정전 시 변전소의 필수 작동을 효과적으로 지원하여 신뢰성 있고 안정적인 백업 전원을 보장합니다.
5. 저전압 버스 커플러 (Bus Coupler)
보조 공급 인입 피더와 디젤 발전기 인입 배전반을 검토했습니다. 보조 공급 인입 배전반은 일반 부하 버스에 연결되고 디젤 발전기 인입 배전반은 필수 부하 버스에 연결됩니다. 그림 6을 참조하여 이 두 버스가 버스 커플러를 통해 연결될 수 있음을 보여줍니다.
버스 커플러가 닫히면 일반 부하 버스와 필수 부하 버스를 연결합니다.
Q03으로 지정된 버스 커플러의 정격은 1000암페어로 보조 공급 인입 피더 회로 차단기의 정격과 일치합니다. Q03은 모터로 작동하는 회로 차단기로, 원안의 문자 M에서 이를 나타냅니다. 세 개의 회로 차단기 사이에는 인터록 메커니즘이 있습니다: Q01(보조 공급 인입 피더), Q02(디젤 발전기 인입 피더), Q03(버스 커플러).
이 인터록을 통해 모든 회로 차단기를 동시에 투입 시킬 수 없게 하여 잠재적인 전원 충돌이나 과부하를 방지할 수 있습니다.
이 인터록 메커니즘은 변전소 전력 공급의 신뢰성과 안전성을 유지하는 데 매우 중요합니다. 보조 공급 장치와 디젤 발전기 공급 장치가 동시에 동일한 버스에 공급되어 과부하 및 잠재적 시스템 손상으로 이어질 수 있는 상황을 방지합니다.
이 설정을 통해 보조 공급에 실패할 경우 디젤 발전기가 변전소 인프라에 손상을 입히지 않고 원활하게 부하를 가져올 수 있습니다.
Figure 6 – The interlocking between Q01, Q02, & Q03, along with the Bus Coupler, is depicted by dotted lines (click to zoom)

6. 저전압 변전소 자동 절체 회로에서 인터록
변전소 AC 방식에는 세 가지 주요 회로 차단기가 있습니다:
Q01: 보조 공급 인입 피더
Q02: 디젤 발전기 공급 인입 피더
Q03: 버스 커플러
이러한 구성 요소는 AC 배전반의 서로 다른 두 버스에서 두 개의 개별 AC 전원 공급 장치를 사용할 수 있는 시스템을 만듭니다.
6.1 AC 전원 공급 옵션
한 가지 옵션은 보조 공급 장치와 병렬로 발전기를 운전하는 것입니다. 이 설정을 사용하면 보조 공급 장치에 장애가 발생할 경우 중단 없이 발전기로 원활하게 전력을 공급할 수 있습니다. 그러나 이 방법은 비용이 많이 들고 발전기 세트에 동기화 회로가 필요합니다. 또한 발전기를 연속적으로 가동하면 높은 운영 및 유지 보수 비용이 발생합니다.
6.2 백업 전력을 위한 구성
이 변전소에서는 다른 방식이 채택됩니다. 발전기는 보조 공급 장치가 고장 났을 때만 켜지므로 두 공급 장치가 동시에 연결되지 않도록 보장합니다. 발전기에 동기화 회로가 없기 때문에 이는 필수적입니다.
두 공급 장치를 동시에 연결하면 동기화되지 않은 두 개의 소스가 연결되어 단락과 유사한 상황이 발생하여 대전류가 흐르고 시스템이 손상될 수 있습니다.
변전소에는 제어 및 보호에 필요한 전원을 공급할 수 있는 DC 배터리가 장착되어 있어 잠시 AC 전원 공급을 중단할 수 있습니다.
6.3 인터록 메커니즘
보호 인터록 체계를 설계할 때 첫 번째 단계는 장비의 인터록 요구 사항을 나타내는 논리 테이블 또는 논리 게이트를 만드는 것입니다. 그림 5를 참조하면 Q01, Q02, Q03이 점선으로 연결되어 있습니다. 이 점선은 회로 차단기가 인터록을 통해 연결되어 있어 차단기의 작동이 조정되었음을 나타냅니다.
자동 절체 회로의 인터록 로직은 그림 5를 참조하여 설명합니다. 여기서 "I"는 닫힌 상태를 나타내며 "O"는 차단기의 개방 상태를 나타냅니다.
이 로직 테이블은 올바른 작동 순서를 따르도록 하여 보조 공급 장치와 발전기가 동시에 연결되는 것을 방지합니다.
Figure 5 – Logic Table for Interlocking Circuit Breakers in the AC Supply Panel (click to zoom)

6.4 인터록의 중요성
인터록 메커니즘은 변전소 전력 공급의 신뢰성과 안전성을 유지하는 데 매우 중요합니다. 이는 보조 공급 장치와 디젤 발전기가 동시에 같은 버스에 공급할 수 있는 시나리오를 방지하고, 그러지 않으면 동기화 문제와 잠재적인 시스템 손상으로 이어질 수 있습니다.
이 방식을 채택함으로써 변전소는 최소한의 운영 비용으로 안정적인 백업 전원 공급을 보장하는 동시에 동기화되지 않은 전원으로부터 시스템을 보호할 수 있습니다.
보조 공급 회로 차단기 Q01이 클로즈 위치(글자 "I" 표시)에 있는 경우 버스 커플러 Q03도 클로즈 되고 디젤 발전기 회로 차단기도 클로즈 위치에 있으며, 이는 변전소에서 보조 공급이 가능하면 커플러가 클로즈 되고 변전소의 모든 전력 공급이 Q01 피더에 의해 공급되며 발전기 회로 차단기 Q02는 오픈 위치를 유지해야 한다는 것을 의미합니다. 따라서 Q01은 일반 부하 버스와 필수 부하 버스 모두에 전력을 공급하고 있습니다.
인터록 테이블의 두 번째 줄에서 보조 공급이 차단되었거나 사용할 수 없는 경우 Q01을 트립하고 커플러 Q03도 트립 해야 하는 조건입니다. 적절한 시간 지연 후 Q02가 켜지면 필수 버스에만 전원이 공급됩니다.
7. 자동 절체 회로의 운전
지금까지 단선도, 인입 인출 피더, 버스 커플러, 인터록 테이블을 살펴봤습니다. 이제 AC 배전반의 자동 절체 회로의 동작 개념에 대해 살펴봅시다.
아래 그림 2와 그림 6을 참조하면 자동 절체 회로 또는 수동 절체 옵션이 표시됩니다. SA1 셀렉터 스위치는 세 가지 옵션을 제공합니다: A(자동), O(오프), M(수동).
Figure 6 – Position of SA1 selector switch which offers auto, off, and manual operational mode

7.1 자동 운전
자동 운전을 위해 셀렉터 스위치를 A로 설정하면 보조 공급 피더에서 전원 공급 또는 전압이 감지되는 즉시(케이블 측에 전원 공급) 서킷 브레이커 Q01의 전압 릴레이가 전압을 감지하고 자동으로 닫히면서 정상 부하 버스에 전원이 공급됩니다. 그런 다음 적절한 시간 지연(보통 1초) 후 버스 커플러 Q03도 닫히면서 필수 버스에 전원이 공급됩니다.
이렇게 하면 버스와 전체 변전소에 전원이 공급됩니다.
보조 공급 피더가 중단되면(Q01에 전압 없음) 저전압 상태로 인해 Q01이 트립 됩니다. 동시에 버스 커플러 회로 차단기 Q03도 트립 되어 차단기가 닫히지 않고 변전소의 전원이 차단됩니다.
보조 피더에서 AC 배전반에 전원이 공급되지 않으면 발전기의 타이머가 시작되고 미리 설정된 시간 지연 후에 발전기가 기동됩니다. Q02에 전압이 공급되면 차단기 Q02가 닫히고 필수 버스에 전원을 공급합니다.
특히, 발전기 피더를 통해 전원이 공급되면 버스 커플러 Q03은 계속 열려 있습니다.
7.2 수동 운전
셀렉터 스위치 SA1을 통해 수동 작동을 선택하면 자동 Open 또는 Close 작동이 제거됩니다. 이 모드에서는 모든 작동을 작업자가 수동으로 수행해야 합니다. 작업자는 보조 변압기에 전원이 공급되면 Q01을 닫고 버스 커플러 Q03을 닫아야 합니다. 전원 공급에 실패하면 인입 차단기 Q01이 다시 트립 됩니다.
그러나 이 시나리오에서는 Q02의 자동 작동이 없으므로 발전기가 켜지지 않습니다.
7.3 오프 모드 선택
셀렉터 스위치 SA1이 "O" 위치로 설정되면 시스템과 관련된 모든 회로 차단기가 빠르게 오프 위치로 전환되는 자동 동작이 시작됩니다. 이 기능은 변전소의 운영 프레임워크 내에서 이중 목적을 수행합니다.
첫째, 스위치는 회로 차단기의 리셋 메커니즘 역할을 하여 회로 차단기가 균일하게 오프 위치로 복귀할 수 있도록 합니다. 이 리셋은 특히 자동 작동 모드와 수동 작동 모드 간에 전환할 때 필수적입니다. 이 리셋을 시작함으로써 시스템은 작동 요건에 따라 수동 개입 또는 자동 제어를 위한 준비가 완료됩니다.
둘째, 그리고 더 중요한 것은 SA1 스위치가 비상 정지 버튼으로 사용된다는 점입니다. 비상 상황이나 중요한 유지 보수 절차와 같이 변전소 내의 전원 공급을 신속하게 차단해야 하는 상황에서는 이 스위치를 활성화하면 즉각적이고 결정적인 조치를 취할 수 있습니다.
이 스위치는 회로 차단기의 전원을 신속하게 차단함으로써 잠재적 위험을 완화하고 변전소 내 인력과 장비의 안전을 보장하는 데 도움이 됩니다.
참고 자료
https://electrical-engineering-portal.com/ats-schematics-logic-analysis-substation-415v-ac-auxiliary-supply-panel
#ATS회로이해
#자동절체시스템이해
#ATS인터록설명
#ATS회로의필요성
#ATS적용이유
#Secondary_Selective_SYstem
#이차선택시스템설명
'전기 Engineering > 전기 시스템의 계산과 분석' 카테고리의 다른 글
| 보호계전기를 종종 오동작하게 만드는 변압기의 여자 전류와 돌입 전류 (1) | 2024.10.21 |
|---|---|
| 변압기의 Through Fault Protection (0) | 2024.09.26 |
| 초고압 케이블 공장 검사 절차서 (FAT Procedure) (0) | 2024.06.12 |
| 비접지 계통의 지락 고장 검출 (0) | 2024.04.04 |
| 트렌치에서 허용 전류 높이는 방법 (0) | 2024.03.27 |