이번 포스팅은 비접지 계통의 지락 고장 검출에서 전압으로 검출하는 방법에 대해서 EEP의 자료를 이용해서 설명해 보려고 합니다.
전압은 비접지 계통에서 지락 고장을 가장 잘 찾을 수 있게 해 줍니다. 전류는 기본적으로 매우 작고 또 고장 위치에 따라 달라지지 않기 때문입니다. 두가지 방법을 아래 그림 5 와 그림 6에서 보여줍니다. 이것들은 지락 고장이 발생했지만 그 고장이 1차 시스템의 어디에서 발생했는지는 보여주지 않습니다.
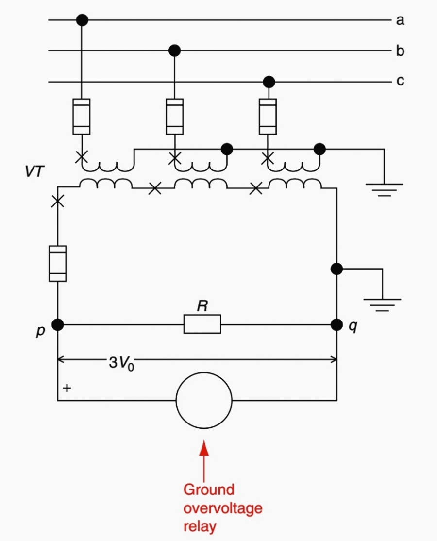
1. 3대의 전압 변압기 이용 (Three-voltage transformers)
와이 접지된 오픈 델타 전압 변압기 결선이 선호됩니다. (그림 5)
안정 저항(ballast resistor)이 사용되었는데 이는 전압 변압기의 불평형 여자 경로나 전압 변압기의 유도성 리액턴스와 계전기와 용량성 시스템 사이에서 발생할 수 있는 철공진 (ferroresonance)으로 인한 중성점의 편향을 감소시키기 위한 용도입니다.


그림 5에서 계전기에 걸리는 전압은 다음과 같습니다.
한상의 지락 고장이 발생하면 비접지 계통에서는 일반 평형 전압 삼각형이 그림 1에 보이는 것 같이 이동하게 됩니다. 직렬 상 임피던스를 통해서 흐르는 작은 전류가 전압 삼각형을 매우 조금 변형시킵니다 그러나 실제적으로는 그림 1b와 같이 보여집니다.


그래서 비접지 계통의 지락 고장에 대하여 계전기에 나타나는 전압은 보통의 상전압의 3배가 됩니다.
보통 1차 VLN : 69.3V의 전압비가 사용되는데 그래서 계전기의 최대 지락 전압은 2 x 69.3 = 208 V가 됩니다. 계전기는 경보를 울리는데 사용되기 때문에 계전기의 연속 전압 정격은 이 값보다 크거나 같아야 합니다. 그렇지 않으면 보조 감압 변압기가 사용되어야 합니다.
그림 5는 단순화된 것입니다. 보통 전압 변압기는 Ynyn 결선이고 보통 오픈 델타 결선이 추가로 사용됩니다. 때때로 메인 전압 변압기는 두개의 이차권선을 가질 수 있는데 그중 하나가 오픈 델타에 연결됩니다. 오픈 델타 이차 권선에 램프가 가로질러 연결될 수 있는데 이는 시각적인 표시를 제공하기 위한 것입니다. 아래 그림에서 보여주듯이 한상이 접지되면 그 상의 램프는 Off 되고 나머지 두 램프는 전압이 높아져 밝아집니다.

이차 권선에 연결된 저항의 일반적인 값은 경험상 아래의 표 1에 나온 것과 같습니다.

2. 단상 전압 변압기 사용
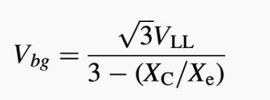
그림 6의 단상 전압 변압기는 2차에 적절한 저항이 없으면 철공진이 발생할 가능성이 특별히 높습니다.


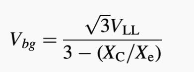
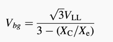
저항이 없으면 Vgb는 다음과 같이 계산됩니다. (공식 10)

만약 배전 시스템 커패시턴스 Xc가 변압기의 여자 리액턴스 Xe에 의해서 나눠진 값이 3과 같으면 이론적으로 Vbg는 무한대가 됩니다. 전압 변압기의 포화가 이것을 방지하지만 전압 삼각형 abc에 대해서 그것의 접지 포인트가 이 삼각형의 아주 바깥쪽에 위치할 가능성이 높습니다.
이것을 중성점 전도(neutral inversion)이라고 부르며 그림 7에 보여집니다.

이 경우에 Xc / Xe의 비율은 1.5가 되고 그래서 공식 10에서 Vbg = 2.0 pu 가 되는데 그림 7에서 보여진 것과 같습니다. 단순화를 위해서 시스템의 저항이나 전압 변압기 2차의 저항도 추정한 값을 사용했습니다.
지속된 상과 대지간의 전압이 거의 4배나 높은 것이 경험되었습니다. 계통 커패시턴스와 변압기 여자 임피던스 변화의 상호 작용으로 매우 높고 왜곡된 파형으로 철공진이 생성될 수 있습니다. 이러한 단상 전압 변압기의 적용은 추천되지 않습니다. 그러나 만약 사용된다면 2차 시스템이 저항 부하여야 합니다.
이런 지락 검출 방식은 위에서 보여진 중성점 전도(neutral inversion)와 철공진을 피하기 위해서 매우 주의깊게 사용되어야 합니다. 전압 계전기는 정상 상전압의 2차 전압에 대해서 그 접점이 개방되어 있도록 세팅됩니다.
상 b에 지락 고장이 발생할 때 전압은 떨어지고 전압 계전기는 저전압 접점을 닫도록 리셋됩니다. 만약 상 c와 a에서 지락 사고가 발생하면 계전기 전압은 계전기가 과전압에서 동작되도록 하기 위해 약 1.73배가 증가합니다.
저전압이나 과전압 작동은 지락 사고 회로의 운전자에게 경고하기 위해서 경보를 울려서 그들이 순차적이거나 편리한 운전정지를 조치할 수 있도록 합니다.
참고 자료:
https://electrical-engineering-portal.com/ground-faults-ungrounded-systems
Ungrounded systems are power systems with no intentionally applied grounding. However, they are grounded by the natural capacitance of the system to ground.
electrical-engineering-portal.com
'전기 Engineering > 전기 시스템의 계산과 분석' 카테고리의 다른 글
| 변압기의 Through Fault Protection (0) | 2024.09.26 |
|---|---|
| 초고압 케이블 공장 검사 절차서 (FAT Procedure) (0) | 2024.06.12 |
| 트렌치에서 허용 전류 높이는 방법 (0) | 2024.03.27 |
| 케이블의 길이는 어떻게 측정하나요? (1) | 2024.03.13 |
| Auto-Transformer 기동 시퀀스 (0) | 2024.03.08 |