au전동기의 시퀀스 3번째로 이번에는 단권변압기로 기동하는 Auto-Transformer 기동기의 시퀀스입니다. Auto-Transformer 기동기는 다른 표현으로 Korndorfer starter라고도 합니다.
1. 메인 기동기 회로와 원리
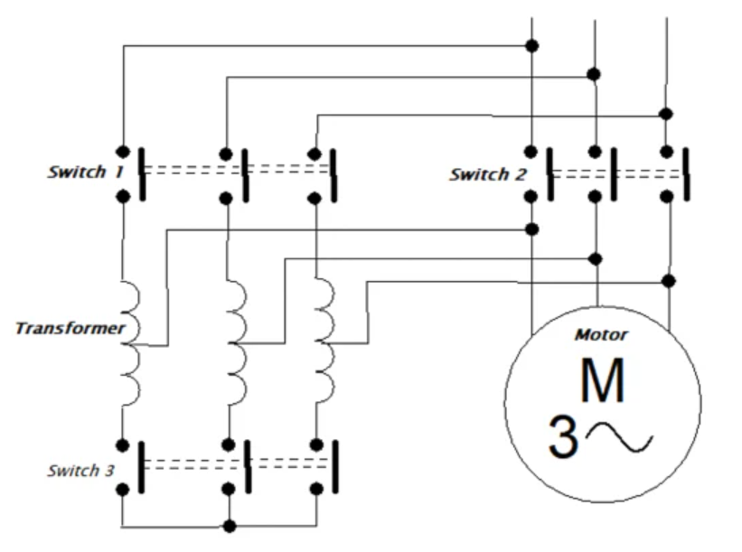
Auto-Transformer Starter의 메인 회로는 아래와 같습니다. 메인 차단기는 그림에서 보이지 않습니다. 여기서는 스위치의 구성 위주로 보여주고 있습니다. 이러한 회로를 구성하기 위해서 아래 그림과 같이 3개의 MC가 필요합니다. 보통 Auto-transformer 기동은 고압에서 사용되기 때문에 Vacuum Contactor가 사용됩니다. 아래 그림에서 Switch 3가 먼저 붙어서 Transformer를 Y 결선으로 만들고 그다음에 Switch 1이 붙어서 감압 기동이 시작됩니다. 전동기가 정격 회전수 근처로 기동이 완료되면 Switch 1과 3가 떨어지고 Switch 2가 붙습니다. 그러면 전동기는 정격 운전 상태로 돌입하게 됩니다.

아래의 그림은 직입 기동과 Auto-transformer 기동을 간략하게 비교한 그림입니다. 직입 기동 시에는 각 권선에 전압이 다 걸리게 되는데 비해서 Auto-transformer 기동에서는 중간에 변압기가 하나 더 들어가서 탭에 따라서 아래 두 번째 그림에서 보이듯이 V1이 아닌 xV1의 전압이 걸리게 됩니다. 그래서 Reduced Voltage Starting (감압 기동)이 되는 것입니다.

위 그림으로부터 Auto-transformer starter의 특성을 확인해 보겠습니다.
아래의 (1) 번 식은 직입 기동의 기동 전류입니다.

(2) 번 식은 Auto-transformer 기동의 기동 전류입니다. 여기서 x는 Auto-transformer의 탭 비율입니다. 일반적으로 80%, 65%, 50% 중 하나가 선택됩니다. 그러면 x는 0.8, 0.65, 0.5 중의 하나가 됩니다.

변압기에서 1차와 2차의 전류비는 전압의 비에 역비례합니다. 즉 아래와 같은 수식이 성립합니다.

아래 수식에서 I'st1은 Auto-transformer에 공급되는 1차 측 전류입니다. 위의 수식에서 I1에 해당되는 전류입니다. Istm은 motor의 기동전류이고 그 기동전류를 공급하는 Auto-transformer의 2차 측 전압이 xV1이 되는 것입니다. 위의 수식에 이러한 값을 대입하면 아래와 같이 됩니다.

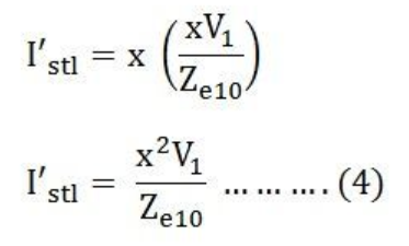
Istm에 (2) 수식을 대입하면 아래와 같은 결과를 얻을 수 있습니다.

즉 아래의 표현과 같이 직입 기동 시의 기동 전류에 비해서 Auto-transformer의 기동 전류는 Auto-transformer의 탭 비율의 제곱이 됩니다. 80% Tap에 연결되면 0.82 = 0.64 가 되고 즉 기동 전류는 직입 기동에 비해서 64%만 흐르게 됩니다.

기동 토크도 위의 기동 전류와 같은 비율로 줄어들게 됩니다.
2. Auto-Transformer 기동의 시퀀스
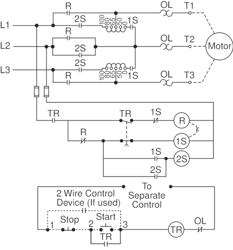
아래 그림에서 메인 회로와 함께 시퀀스가 보여집니다. 시퀀스는 전동기 기동에 관계된 부분만 단순화되어 표현되어 있으므로 제어 전원이라든지 동작 램프나 외부와의 인터페이스 등은 필요한 데로 추가되어야 합니다.

위 그림은 3상 Auto-transformer를 이용한 기동기이고 아래 그림은 2상 Auto-transformer를 이용하여 V 결선하는 방식의 기동기입니다. 시퀀스는 모두 동일한 방식으로 작동합니다. 국내에서는 모두 3상 단권변압기를 사용하는 것으로 알고 있으며 ABB나 Schneider의 카탈로그에는 아래와 같은 V 결선 기동기도 소개되어 있습니다.

위의 시퀀스와 메인 회로를 참조 바랍니다. 메인 회로에서 1S 스위치가 2pole만 있는 것은 3 pole 스위치가 있는 것과 동일하게 동작하게 됩니다.
동작 시퀀스를 설명하면 아래와 같습니다.
1) Start 버튼을 누릅니다. 그러면 TR 릴레이가 동작합니다. TR은 Timer 기능을 포함하고 있습니다.
2) TR이 ON 되면 먼저 1S 스위치가 동작해서 Auto-TR의 Y 결선을 형성합니다.
3) 1S가 ON 되면 2S가 동작하게 되고 Self-holding 회로를 구성합니다. 1S와 2S 스위치가 모두 ON 되어서 감압 기동이 시작됩니다.
4) TR의 Timer 세팅 값에 도달하면 1S가 떨어지고 R 스위치가 붙게 됩니다. R 스위치가 동작하면 2S 스위치가 떨어지게 됩니다. 1S가 떨어지고 R이 붙어서 절환되는 잠깐 동안에는 2S만 붙어 있는데 이때 Auto-transformer는 인덕터 (Inductor)처럼 동작해서 전압을 약간 낮추고 그래서 기동 전압과 전 전압의 사이에 위치하게 됩니다. R 스위치가 붙으면 S2도 떨어지게 됩니다.
그렇게 되면 이제 R 스위치만 붙어있고 1S와 2S 스위치는 떨어져 전동기가 정상 운전에 들어가게 됩니다. 이러한 과정을 통해서 기동으로부터 전 전압 운전으로의 절환 기간에도 전원이 차단되지 않는 Closed Transition이 이루어지게 됩니다.
이러한 기동에서 Timer의 세팅은 중요합니다. 초기 데이터를 기준으로 기동 시간을 확인하여 시간을 정한 후 실제 현장 테스트를 통해서 최적의 시간을 찾는 것이 필요합니다.
참고 자료
An Autotransformer Starter is suitable for both star and delta connected motors. In this method, the starting current is limited by using a three phase auto transformer to reduce the initial stator applied voltage.
circuitglobe.com
Motor starters like autotransformers can solve induction motor challenges. Here’s all you need to know about the workings, connections, and applications of autotransformers.
eepower.com
'전기 Engineering > 전기 시스템의 계산과 분석' 카테고리의 다른 글
| 트렌치에서 허용 전류 높이는 방법 (0) | 2024.03.27 |
|---|---|
| 케이블의 길이는 어떻게 측정하나요? (1) | 2024.03.13 |
| 전동기의 와이-델타 (Y-D) 기동 시퀀스 (0) | 2024.03.07 |
| 방향성 계전기의 적용 방법 (1) | 2024.02.07 |
| 방향성 계전기의 동작 원리와 특성 각도 (2) | 2024.02.06 |