이번 포스팅은 앞서의 방향성 계전기 동작 원리에 이어서 실제 적용 방법에 대한 내용입니다. 방향성 계전기의 적용법이 4가지가 있는데 다음과 같습니다.
1. 병렬 회선의 보호 (Protection of Parallel lines)
2. 폐루프 보호 (Protection of closed loop)
3. 지락 방향성 보호 (Protection of directional earth fault)
4. 전력 계전기 (Power relay)
1. 병렬 회선의 보호 (Protection of Parallel lines)
여러 회선을 사용하면 전력 가용성이 향상됩니다. 즉, 여러 회선을 병렬로 사용하면 주어진 위치에 더 많은 전력을 전달할 수 있습니다. 두 개의 병렬연결된 회선은 폐쇄된 링의 가장 단순하고 빈번하게 발생하는 예입니다. 보호 시스템은 한 회선에 고장이 있을 때 다른 배전 선로가 정상적인 동작을 계속하도록 설계되어야 합니다. 이 경우에 방향성 보호가 필요한 이유를 더 잘 설명하기 위해 먼저 일반 과전류 릴레이만으로 보호 시스템을 설명하고 릴레이 보호의 선택성이 좋으려면 왜 해결책이 좋지 않은지, 방향성 보호를 사용해야 하는지를 설명합니다.
이미 언급했듯이 두 개의 평행선이 있는 단순한 시스템을 관찰할 것입니다. 그러한 시스템은 그림 15에 나와 있습니다:

이 간단한 시스템의 가능한 보호 중 하나는 그림 16과 같이 각 라인의 소스 끝에 2개의 과전류 릴레이와 차단기를 사용하는 것입니다. 이 솔루션은 라인을 제대로 보호하지만 선택성은 전혀 달성되지 않습니다. 즉, 고장이 발생하는 곳마다 두 라인이 모두 작동하지 않게 됩니다.

선로 1에서 고장이 발생하면 고장은 두 선로 모두에서 전류가 공급됩니다. 즉, 두 과전류 릴레이 모두 0.3초 후에 반응하여 (시간 지연으로 인해) 회로 차단기 C와 D가 트립 됩니다. 이렇게 하면 두 전력선이 모두 열리게 되고 결과적으로 변전소 버스 B에서 더 이상 전원을 사용할 수 없게 됩니다.
여기서 알 수 있듯이, 방향성 장치가 없는 과전류 보호를 사용하면 병렬로 연결된 전력선을 보호할 수 있지만 분별력이 없습니다. 즉, 정상선(이 경우 2호선) 조차 차단되고 사용할 수 없는 상태가 됩니다. 이는 또 다른 문제로 이어지고, 1호선이나 2호선에서 고장이 발생할 때마다 부하에 대한 전력 공급이 중단됩니다. 결과적으로 이 보호를 사용하면 단일선을 사용할 때보다 부하에 전력을 상실할 수 있는 기회가 두 배로 증가합니다. 이는 시스템의 가용성을 더 낮춥니다.
이러한 문제를 해결하기 위해, 즉 그림 16에서 두 전력선의 분별력 있는 보호를 유지하기 위해서는 방향성 과전류 계전기가 필요합니다. 방향성 유닛이 있는 보호 시스템은 다음 그림에 나와 있습니다.

선로 1에 고장이 있을 때에 대해서 분석을 해보겠습니다(그림 17에서 볼 수 있듯이). 이 경우 고장 전류 IF1이 선로 1을 통해 흐르고 고장 전류 IF2도 선로 1을 통해 흐르지만 반대 방향으로 흐릅니다. 보호 장치의 시간 지연이 그림에 나와 있습니다. 전류 IF2는 계전기 D, F, E를 통해 흐릅니다. 계전기 D는 고장을 감지하지만 시간 지연 때문에 즉시 반응하지 않고 0.4초 후에 반응합니다. 계전기 F는 전류의 방향이 계전기에서 설정한 방향과 반대이기 때문에 고장을 전혀 감지하지 않습니다. 마지막으로 전류 흐름의 방향이 계전기에서 설정한 방향과 동일하고 단지 0.1초의 시간 지연(계전기 D보다 0.3초 낮음)이 있기 때문에 계전기 E는 반응합니다. 계전기 E의 반응으로 과전류 계전기 D는 시간 지연이 경과하기 전에 리셋됩니다. 전류 IF1의 상황은 이제 전류가 계전기 C를 통해서만 흐르기 때문에 훨씬 간단합니다. E 위치의 차단기가 열리는 순간 계전기 C가 반응했지만 C 위치의 차단기는 여전히 닫혀 있습니다. 그 이유는 이 계전기가 0.4초의 시간 지연을 가지고 있기 때문입니다. 이 시간이 지나면 정상 라인이 작동하고 버스 B에 전력을 제공하는 동안 C 위치의 차단기가 열리고 고장이 차단됩니다.
D 위치의 과전류 계전기에서는 0.4초의 시간 설정을 사용하여 선로1에 고장이 발생했을 때 E 위치의 방향 과전류 계전기가 트립 되도록 합니다. 이를 통해 1호선에서 고장이 발생했을 때 2호선이 차단되지 않도록 하여 적절한 고장 판별을 달성할 수 있습니다. C 위치의 계전기가 동일한 시간 지연을 가지고 있는 것과 같은 이유로 2호선에 고장이 발생했을 때도 같은 방식으로 감지할 수 있습니다.
2. 폐루프 보호 (Protection of closed loop)
폐루프를 보호하는 원리는 두 개의 평행선으로 시스템을 보호하는 원리와 같습니다. 유일 차이점은 폐루프에는 훨씬 더 많은 선들이 있다는 것인데, 이는 더 많은 계전기들과 개별 계전기들의 시간 지연이 훨씬 더 높다는 것을 의미합니다. 응용 분야에 따라 더 긴 고장 제거 시간은 여러 가지 이유로 허용될 수도 있고 허용되지 않을 수도 있습니다. 다음 그림에서 폐루프 시스템을 보호하기 위한 가능한 해결책 중 하나가 보입니다.

각 보호 시스템의 검출 방향은 화살표로 표시됩니다. 모든 계전기에는 시간 지연 단위가 있습니다. 일부 계전기의 시간 지연이 1.3초이고 이는 너무 길 수 있기 때문에 이 간단한 시스템을 분석하면 일부 계전기의 시간 응답이 분명하게 문제가 됩니다. 이러한 문제에 대한 가능한 해결책 중 하나는 방향성 비교 보호의 사용입니다.
방향성 비교 보호는 한 쌍의 방향성 과전류 계전기를 사용하여 전력선의 각 세그먼트를 보호하고 계전기는 보호선 세그먼트의 양 끝에 위치합니다. 한 쌍의 각 방향성 과전류 계전기는 통신 링크(광섬유, 마이크로파 통신 시스템 등)를 통해 보호선 세그먼트의 다른 끝에서 계전기와 통신할 수 있습니다. 이러한 주요 기능을 통해 짧은 고장 제거 시간을 제공하는 빠른 계전기 트립 방식을 구현할 수 있습니다.
3. 방향성 지락 보호 (Earth fault directional protection)
접지 고장에는 단선 접지 고장(SLG 고장)과 선간 접지 고장(LLG 고장)의 두 가지 유형이 있습니다. 접지 고장은 전류 I0가 영상 전류이기 때문에 다른 유형의 단락 회로와 다릅니다. 정상적인 작동에서는 이 전류가 존재하지 않기 때문에 접지 고장을 감지하는 계전기는 구성 요소 I0=(Ia+Ib+Ic)/3 를 감지하고 I0의 고장 전류가 임계값을 초과하는 것을 검출합니다.
그러나 여러 소스 또는 병렬 경로를 가지는 시스템에서는 접지 고장 계전기가 방향성 요소를 가지는 것이 요구됩니다. 기준 페이저를 분극량 또는 잔류량이라고 부르기도 합니다. 또한 접지 고장 계전기에는 전압 및 전류 분극 신호가 모두 사용됩니다.
이 두 분극 신호를 설명하기 전에 영상 변수라는 용어를 설명해야 합니다. 예를 들어 영상 변수 Fh를 다음과 같이 정의합니다.:

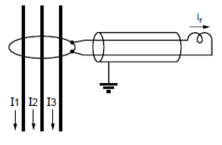
잔류 전류는 3개의 변류기(상당 1개) 또는 3개의 상을 감싼 코일(링 CT)에 의해 측정됩니다.
- 그림 19에 표시된 3개의 전류 변압기를 사용하면 다음과 같은 이점이 있습니다:
- CT는 일반적으로 신뢰할 수 있습니다
- 높은 전류를 측정하는 것이 가능합니다
그러나 특정한 단점도 있습니다:
- 단락의 경우 또는 변압기가 켜지면 CT가 포화되어 잘못된 잔류 전류가 발생합니다
- 실제로 임계값을 CT의 정격 전류의 10% 미만으로 설정할 수 없습니다.

- 링 CT를 이용한 측정:
- 매우 민감하다는 장점이 있습니다
- 피복이 없는 케이블 주위에 코일(저전압 절연)을 설치하여 절연해야 하는 단점이 있습니다

잔류 전압은 3개의 전압 변압기(VT)에 의해 측정되며, 일반적으로 이러한 변압기에는 2차 권선이 있습니다: 하나는 스타 연결 상태에서 중성 및 상간 전압 모두 측정할 수 있고 다른 하나는 델타 연결 상태에서 잔류 전압을 측정할 수 있습니다. 또한 가능한 구성 중 하나는 주 VT가 스타 연결 상태에서 접지된 하나의 2차 권선을 가지고 보조 VT의 세트가 잔류 전압을 측정하는 데 사용되는 것입니다. 잔류 전압을 측정하는 이러한 두 가지 방법은 아래 그림에 나와 있습니다:

이론적으로 보호 장치를 분극시키는 두 가지 방법은 동등합니다. 또한 잔류 전압 Vr과 중성점 전류 In은 다음 식으로 관계되어 있습니다:
Vr=(Zh+3Zn) In
여기서:
Zh-변압기의 영상 시퀀스 임피던스
Zn - 중성점의 임피던스
실제로는 상황이 다릅니다. 중성점 전류에 의한 분극은 접지 고장 전류가 크고 (수백 암페어 정도) 동시에 네트워크의 기생 커패시턴스로 인한 전류보다 훨씬 큰 네트워크에서만 사용됩니다. 이 상황에서 전류의 측정은 작은 값을 갖는 잔류 전압의 측정보다 더 정확합니다. 이러한 상황은 중성 접지 연결부에 가까운 변전소에서 흔히 발생합니다.
4. 전력 계전기 (Power Relay)
이러한 계전기는 "이 계전기가 방향성 요소가 없는 일반적인 전력 계전기라면 어떻게 될까요"라는 논리를 사용하여 이전 상황과 같이 설명하지는 않을 것입니다. 그 이유는 전력 계전기는 당연히 방향성이므로 모든 전력 계전기에는 방향성 요소가 있기 때문입니다. 이러한 유형의 보호 장치는 유효 및 무효 전력을 측정하기 위해 종종 이중 전력계 방식을 사용합니다.
그림 21에서 알 수 있듯이 전력 측정을 위해서는 전류 2개와 상간 전압 변압기 2개가 필요합니다.

정확한 측정을 위한 유일한 조건은 회로에 영상 시퀀스 전류가 없다는 것입니다.
유효 전력은 다음과 같이 제공됩니다:
P=I1∙U31∙cos(I1,U31)+I2∙U32∙cos(I2,U32)
그리고 무효 전력:
Q=I1∙U31∙sin(I1,U31)+I2∙U32∙sin(I2,U32)
따라서 측정된 전력은 대수적 변수이고 흐름의 방향은 부호(+/-)로 표시됩니다. 그리고 이것이 모든 전력 계전기가 추가 방향 요소가 필요 없는 자연스러운 방향성 계전기인 이유입니다.
이러한 계전기는 알터네이터(발전기)를 보호하기 위해 사용됩니다. 예를 들어, 터빈의 일부 문제 때문에 발전기가 네트워크로부터 유효 전력을 수신하여 사용하는 것이 가능합니다, 즉 발전기가 모터가 되는 것입니다. 이러한 작동을 감지하기 위해서는 방향성 유효 전력 계전기가 사용되어야 합니다. 이러한 보호 장치의 임계값은 알터네이터의 정격 피상 전력과 비교하여 낮은 값(통상적으로 5~20% 사이)으로 설정됩니다.
또한 이러한 유형의 계전기는 무효 전력의 방향을 모니터링하는 계자 상실을 감지하는 데 사용됩니다.
참고 자료: DIRECTIONAL PROTECTION
Seminar work in the course Distribution and industrial networks (UNIVERSITY OF LJUBLJANA
FACULTY OF ELECTRICAL ENGINEERING DIRECTIONAL)
'전기 Engineering > 전기 시스템의 계산과 분석' 카테고리의 다른 글
| Auto-Transformer 기동 시퀀스 (0) | 2024.03.08 |
|---|---|
| 전동기의 와이-델타 (Y-D) 기동 시퀀스 (0) | 2024.03.07 |
| 방향성 계전기의 동작 원리와 특성 각도 (2) | 2024.02.06 |
| 조명 설계 - 조도 계산 (1) | 2024.01.04 |
| Selectivity(선택성) in MV/HV network protection (1) | 2024.01.02 |