이번 포스팅은 앞선 직입기동 전동기 시퀀스에 이어서 와이-델타 기동 시퀀스에 대한 내용입니다. Y-D기동은 좀더 복잡하고 어려운데요 잘 이해하면 전기 시퀀스에 대해서 한단계 더 알게해 줍니다. 이번 포스팅은 EEP에서 발행한 여러 시퀀스관련 자료에서 발췌한 내용을 포함하고 있습니다.
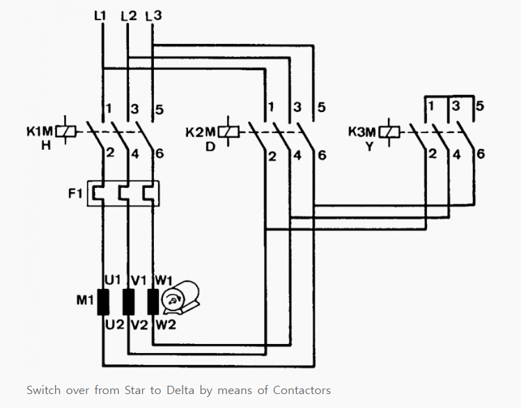
1. Y-D 기동 회로 - 메인 회로
Y-D 기동 회로를 구성하는 부품은 아래그 그림에 나와 있는것 같이 다음과 같이 구성됩니다.
아래 그림에서 메인 차단기는 생략되고 MC 부터 그려져 있음을 참고 바랍니다.
- 메인 차단기 (MCCB 혹은 Fused Switch) - 단락 고장 보호용
- 메인 MC (전자접촉기)
- 델타 MC
- 와이 MC
- 과부하계전기 (메인 MC 아래에 설치)

3개의 MC가 설치되어 있는데요 각 MC의 용량은 아래와 같이 선정합니다.

위의 식에서 Ie는 전동기의 정격전류입니다.
직입 기동 회로와는 다르게 와이-델타 회로에서는 메인MC와 델타MC에 상전류만 흐르게 됩니다. 상위단의 차단기에는 선전류가 흐르는데 비해 MC에는 상전류만 흐르게 된다는 것입니다. 그래서 위의 수식에 나타난 것 처럼 1/√3 배가 되어서 0.58이라는 숫자가 나옵니다.
와이MC에는 와이결선이 되면서 전압이 1/√3 배가 되기 때문에 상전류의 1/√3 배가 되어서 토탈 1/3배가 됩니다. 그래서 위의 수식에서 0.34배가 된 것입니다.

저도 아무 생각없이 지금까지 표에 따라서 MC 사이즈를 정해왔는데요 이번에 포스팅을 하면서 새롭게 배웠습니다. 사실 Y-D 기동은 옛날에 제조업체에 있을 때만 해보고 실제로 플랜트에서는 거의 하지 않았던 것 같습니다. 암튼 정확히 알고 적용하면 좋겠죠.

기동시에는 와이 결선이 되니까 전류가 1/3로 줄어서 직입 기동 시의 6-7배 하던 기동 전류가 2-2.5배로 줄어드는 것이죠.

와이-델타 변경 시의 전압과 전류 관계는 맨날 외워도 잘 잊어버리게 됩니다. 그래서 계속 헷갈리죠. 이 부분은 정말 중요하고 많이 적용되기 때문에 정확하게 기억해 두고 반복해서 외우는 것이 필요할 것 같습니다.

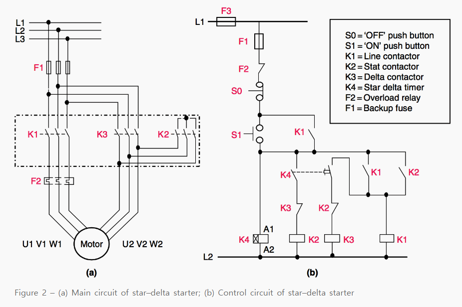
2. 와이-델타 회로의 시퀀스
아래의 그림은 가장 기본적인 와이-델타 회로의 시퀀스를 보여 줍니다. 여기에 램프나 다른 회로들이 추가될 수 있습니다. 먼저 가장 기본적인 회로를 이해하는 것이 중요합니다.

동작 순서는 다음과 같습니다.
1) S1 "ON" 버튼을 누릅니다.
2) K4 Timer에는 Timer 접점과 바로 동작하는 접점이 있습니다. K2 MC 위에 있는 K4 접점은 바로 동작하는 접점인데 이 것이 ON 됩니다.
3) 그러면 K2 MC가 동작합니다. K2의 접점이 붙으면 K1 MC가 동작하고 S1 버튼 옆의 자기 유지용 K1 접점이 붙어서 S1이 떨어져도 회로는 계속 동작합니다.
4) 즉 K2 MC가 붙어서 Y 콘텍터가 붙고 K1 MC가 붙어서 메인 콘텍터가 붙으면 전동기가 기동을 시작합니다.
5) Timer K4는 보통 짧게는 4-5초 정도로 세팅되는데 전동기가 정격속도에 도달할 쯤에 동작하게 해야 합니다. K4가 동작하면 K3 MC가 동작하고 K2 위의 K3접점이 떨어져서 K2 MC가 Open 됩니다. 이렇게 해서 전동기는 델타 회로로 운전에 들어가게 됩니다.
6) S2 "OFF" 버튼을 누르면 전동기가 정지되고 F2 과부하 계전기가 동작하면 또한 전동기가 정지됩니다.
와이-델타 전동기 기동에서 Timer K4의 동작 시간 세팅이 매우 중요합니다. 부하의 종류나 전동기의 크기에 따라서 기동시간이 달라지기 때문에 초기에는 개략적인 정보로 세팅을 한 후에 직접 기동해 보면서 시간을 조정해야 합니다.
Timer가 동작해서 와이 기동에서 델타로 넘어가는 시점에서는 순간적으로 회로가 개방되어서 큰 전압이 발생합니다. 아래의 그림에서 IY를 보면 기동 전류가 어떻게 변화하는지를 보여줍니다. 여기에는 보이지 않지만 전압도 매우 크게 높아지기 때문에 여러 동작 기기들이 문제가 없는지 확인해볼 필요가 있습니다.

Generally speaking, basic control circuits are used in starting, stopping, sequencing, and safety automatic interlocking of equipment and machines
electrical-engineering-portal.com
Two methods used for reduction of starting voltage are: Star-delta starting and auto transformer starting. In open transition the power is
electrical-engineering-portal.com
Due to their simplicity, robustness and cost-effectiveness, squirrel cage motors are the preferred choice of industry. During start-up, they develop
electrical-engineering-portal.com
'전기 Engineering > 전기 시스템의 계산과 분석' 카테고리의 다른 글
| 케이블의 길이는 어떻게 측정하나요? (1) | 2024.03.13 |
|---|---|
| Auto-Transformer 기동 시퀀스 (0) | 2024.03.08 |
| 방향성 계전기의 적용 방법 (1) | 2024.02.07 |
| 방향성 계전기의 동작 원리와 특성 각도 (2) | 2024.02.06 |
| 조명 설계 - 조도 계산 (1) | 2024.01.04 |