이번 포스팅은 초고압 변전소에서 주로 사용되는 단선도 형태에 대해서 알아보려고 합니다. 이 부분은 이미 앞선 Single Line Diagram 포스팅에서 간략하게 다루었던 내용이지만 Siemens의 자료를 바탕으로 좀 더 상세하게 다루도록 하겠습니다.
고전압 변전소는 전력계통 내에서 발전원으로부터 전력을 모아서 분배하고 변환하여 부하점에 전달할 수 있는 지점입니다. 변전소들은 서로 연결되어 있어서 전력계통은 그물망(Meshed) 네트워크가 됩니다. 이것은 전력의 흐름이 모든 비상사태를 처리할 수 있는 대체 경로를 제공하여 부하로의 전력 전달이 유지되고 발전기가 정전에 직면하지 않음으로써 전력 공급계통의 신뢰성을 높입니다. 고전압 변전소는 전력계통에서 중요한 구성요소이며 전력계통의 신뢰성은 변전소에 따라 달라집니다. 따라서 고전압 변전소의 회로 구성은 신중하게 선택되어야 합니다.
버스바 (Busbars)는 인입 라인의 모든 전력이 모이는 곳이며 또 인출 라인으로 분배되는 변전소의 부분입니다. 이것은 모든 고전압 변전소의 신뢰성이 전력계통에 존재하는 버스바의 신뢰성에 달려 있다는 것을 의미합니다. 버스바의 정지는 전력계통에 극적인 영향을 미칠 수 있습니다. 버스바의 정전(Outage)은 버스에 연결된 전송 선로들의 정전을 초래합니다. 그 결과, 전력 흐름은 살아남은 정상 선로들로 이동하여 현재 그들이 할 수 있는 것보다 더 많은 전력을 운반하게 합니다. 이것은 이러한 선로들의 트립으로 이어지고 정전이나 유사한 상황이 발생할 때까지 연쇄적인 영향이 계속됩니다. 주로 사용되는 여러 가지 버스바 시스템을 살펴볼 때 버스바의 신뢰성의 중요성을 염두에 두어야 합니다.
Single-busbar scheme (1 BB) (싱글 버스바 방식)
이 간단한 방식 배전 및 변압기 변전소와 산업 지역의 공급에 적용됩니다(그림 3.1-4).
단 1개의 버스바와 최소한의 장비를 가지고 있기 때문에 이 방식은 제한된 가용성만을 제공하는 저비용 솔루션입니다. 버스바 고장이 발생하거나 유지 보수 기간 동안에는 변전소의 가동 중단이 발생합니다. 신뢰성을 높이기 위해서는 두 번째 버스바를 추가해야 합니다.

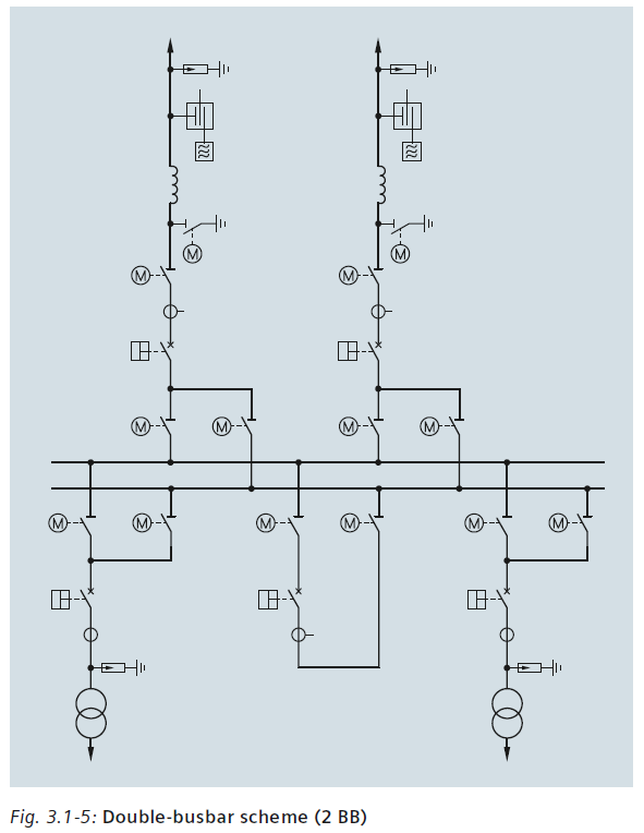
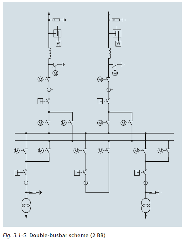
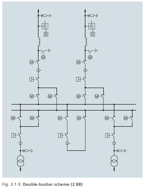
Double-busbar scheme (2 BB) (더블 버스바 방식)
더 복잡한 이중 버스바 시스템의 방식은 변전소 운영 중 훨씬 더 많은 유연성과 신뢰성을 제공합니다(그림 3.1-5). 이러한 이유로 이 방식은 전력 공급 시스템의 노드에 있는 배전 및 변압기 변전소에서 사용됩니다. 버스바를 독립적으로 사용하고 한 버스바에서 다른 버스바로 피더를 전환하여 전력 흐름을 제어할 수 있습니다. 버스바 단로기는 피더의 정격 전류를 차단할 수 없기 때문에 전력 흐름에 짧은 차질이 발생합니다.

Double circuit-breaker scheme (2 CB) (2 차단기 방식)
중단 없이 부하를 교체하려면 피더당 두 번째 차단기를 사용해야 합니다. 이방법은 이 문제를 해결하기 위한 가장 비싼 방법이기 때문에 매우 중요한 피더에서만 2 CB 솔루션이 사용됩니다 (그림 3.1-6).

One-breaker-and-a-half scheme (1.5 CB) (1.5 차단기 방식)
1.5 차단기 방식은 2BB와 2CB 방식을 절충한 것입니다. 이 방식은 완전히 하나의 버스바가 손실되어도 피더의 전원 공급에 차질이 없기 때문에 신뢰성과 유연성을 향상시킵니다(그림 3.1-7).

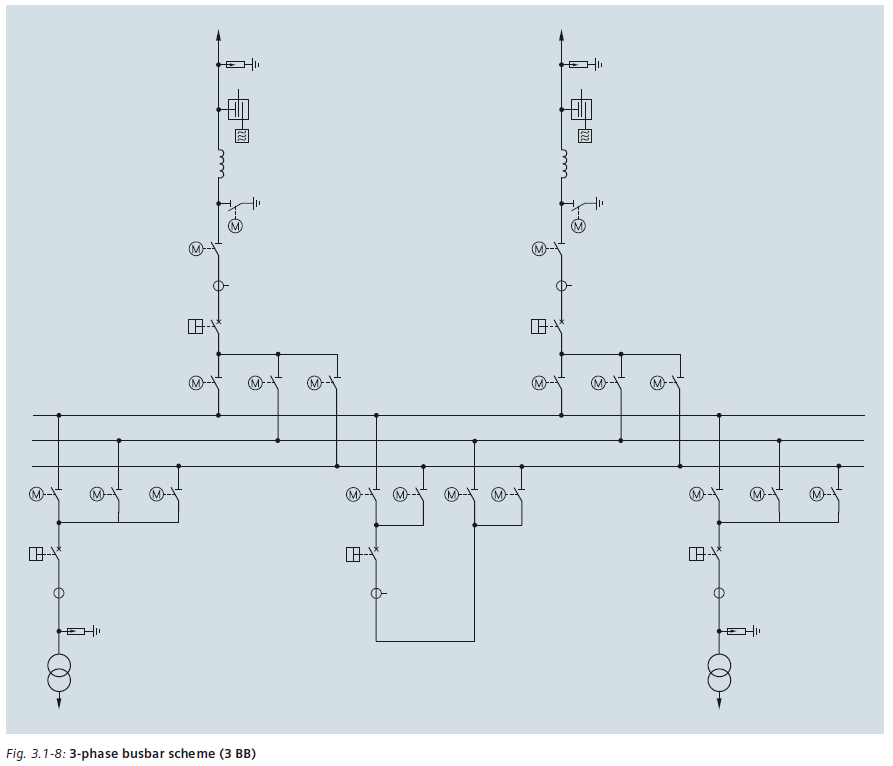
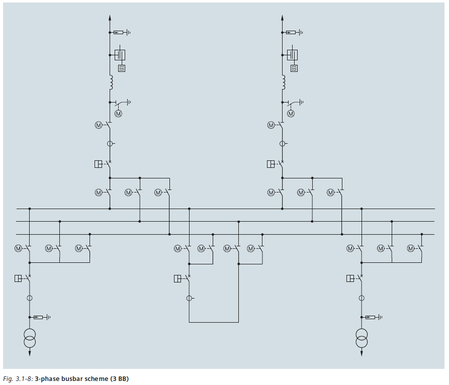
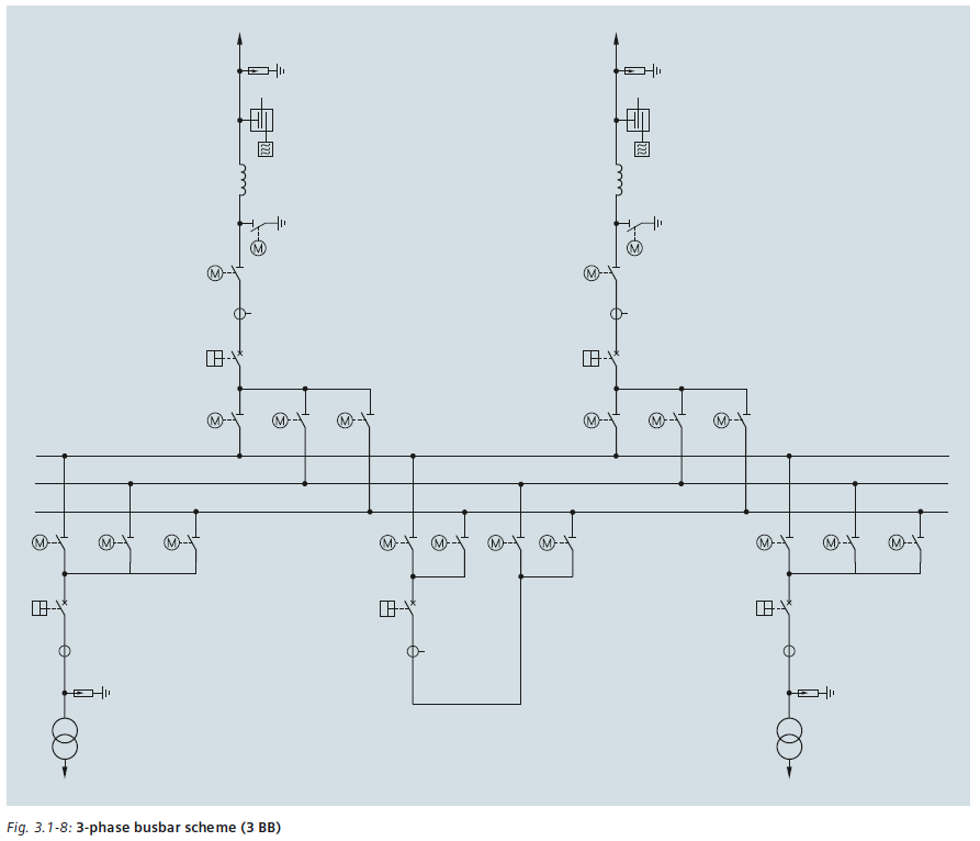
3-phase busbar scheme (3 BB)
보다 높은 전압 레벨을 위해 송전 시스템의 노드에서 중요한 변전소의 경우 3상 버스바 방식이 사용됩니다. 380kV 수준에서 사용되는 독일의 일반적인 방식입니다(그림 3.1-8)

'전기 Engineering > 단선도에 포함된 모든 정보' 카테고리의 다른 글
| SPD (Surge Protective Device)의 실제 적용 (0) | 2024.06.07 |
|---|---|
| IEC 60287 케이블 사이징 - Armour Loss 계산 (0) | 2024.06.06 |
| MCB, MCCB, ELCB, RCCB의 차이점 (0) | 2024.04.26 |
| MV/LV SWGR의 계전기 선정 2 (0) | 2024.04.01 |
| MV & LV SWGR의 계전기 선정 (1) | 2024.03.27 |