변류기 (CURRENT TRANSFORMER)의 결선에 대해서 결선 방법과 또 2차 측에 설치되는 단자대와 TEST TERMINAL 등을 포함해서 검토해 보겠습니다. CT는 주 회로의 전류를 다운시켜 2차 회로에 보내고 이를 통해 전류를 측정하거나 보호계전기를 동작시키는 데 사용됩니다. 이 과정에서 CT를 어떻게 연결하느냐에 따라서 용도가 달라지고 또한 실제적으로 사용하는데 필요한 중간 연결 장치들이 필요합니다.
1. CT 와이(Wye) 결선
아래의 그림 6에 표시된 CT 연결을 생각해 보면. 와이 결선은 CT의 상 계전기에서 상전류에 비례하는 전류를 생성하고 중성선의 접지 계전기에서 3Io에 비례하는 전류를 생성합니다. 이 결선에 의한 상 변화는 발생하지 않습니다.

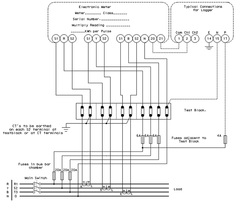
대부분의 3 CT 결선은 위와 같은 와이 결선으로 이루어집니다. 이 와이 결선은 좀 더 디테일하게 아래 그림과 같이 실제로 구성됩니다. 먼저 CT의 2차 단자에서 선이 연결되어 배전반의 CT 단자대에 연결됩니다. 이 CT 단자대는 특별히 고안된 CT 2차 회로를 단락 시키는 기능이 포함되어 있습니다. 아래의 ABB 단자대 사진을 참조 바랍니다.


CT 2차 회로를 점검할 때는 이 CT 단자대를 이용하여 CT2차 회로를 단락 시킨 후 안전하게 2차 회로를 분리할 수 있습니다.
또한 CT 단자대에서 그다음으로 연결되는 것이 Test Block입니다. 이 Test Block은 CT 2차 측의 계기나 계전기를 시험할 때 Door 전면에서 문을 열지 않고 CT 2차 회로를 시험할 수 있게 해주는 장치입니다. 다양한 형태의 Test Block 이 있으며 회사마다 독특한 형태를 가지기도 합니다. 다만 기능은 유사한데 CT 용의 경우 Test Block에 Plug를 삽입하면 전단의 CT 2차 측은 단락 시키고 후단의 계기와 계전기 회로에 외부의 전원을 공급할 수 있도록 해 줍니다.

이 Test Block 이후의 회로는 각 계기와 계전기의 용도와 기능에 따라서 다양하게 이루어집니다. 아래의 그림이 이러한 연결에 대하여 간단하게 보여주고 있습니다.

2. 델타 결선 (Delta Connections)
CT의 델타 결선은 특수한 경우에만 사용됩니다. 특별히 변압기의 비율차동계전기 보호에 사용하는 CT의 경우 변압기 1차와 2차가 권선이 서로 다른 방식 예를 들면 Y-D 나 D-Y인 경우에 1차와 2차의 위상각이 다른 것을 보정해 주기 위해서 사용됩니다.
즉 변압기 1차가 Y 면 CT를 델타로 결선하고 변압기 2차 D 쪽은 와이로 결선해서 1-2차 간의 위상을 보정하게 됩니다.

그림 2(b)에 표시된 델타 연결은 3개의 부하 Zf에서 (I'a - I'b), (I'b - I'c), (I'c - I'a)에 비례하는 전류를 생성합니다. 그리고 1차 전류가 균형을 이루면,
이 되고 1차 전류와 부하 Zf에 공급되는 전류 사이에 30도의 상 변화가 발생됩니다. 델타 권선의 방향을 반대로 하면 -30도의 위상 변화를 얻을 수 있습니다. √3라는 요소는 크기 변화를 발생시킵니다.
이와 같이 기본적으로 3개의 CT를 사용하는 회로에서는 와이와 델타 두 가지 결선 방법이 있습니다.
3. CT 2차 회로의 접지와 극성
아래의 Wye 결선을 보면서 두 가지 점에 주의하여야 합니다.
첫째는 극성 표시입니다. 주 회로의 인입 라인에 마킹이 되어 있고 CT도 같은 위치에 마킹이 되어있습니다. 이 마킹의 위치가 달라지면 흐르는 전류의 방향도 달라지기 때문에 주의해야 합니다.
둘째는 CT의 접지 표시입니다. 접지 계전기가 설치되어 있는 쪽에 접지 표시가 있습니다. CT의 안정적 동작과 고전압에 대한 보호를 위하여 반드시 접지가 되어야 합니다.
CT 1차 단자와 2차 단자의 상대적인 극성은 페인트로 칠한 극성 표시 또는 1차 단자의 경우 ΔH1O와 ΔH2O, 2차 단자의 경우 ΔX1O와 ΔX2O로 식별됩니다. 관례는 1차 전류가 H1 단자에 들어가면 그림 4의 화살표와 같이 2차 전류가 X1 단자에서 나간다는 것입니다. 또는 전류가 H2 단자에 들어가면 X2 단자에서 나간다는 것입니다. 페인트를 사용하면 H1과 X1에 해당하는 단자가 식별됩니다. 표준 관례는 위의 그림 6과 같이 연결 다이어그램을 사각형으로만 보여주는 것입니다.

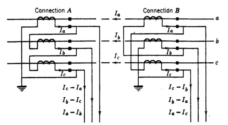
4. 델타 결선의 두 가지 방법
아래 그림은 델타결선의 전형적인 방법을 보여줍니다. 그리고 그다음 그림에서 서로 다른 두 가지의 델타결선을 보여줍니다. 전형적인 방법은 R -> S -> T -> R로 연결되는 구조입니다. 다른 방법은 R -> T -> S -> R로 연결됩니다.
delta-connected CT의 경우, Fig.7과 같이 두 가지 연결이 가능합니다. 위상 시퀀스 성분에 있어서, Ia, Ib, Ic는 wye-connected CT와 동일합니다.
출력 회로에는 영상 시퀀스 성분이 없고 델타 연결로만 순환합니다. 연결 B는 연결 A의 역일 뿐입니다. 3상 결함의 경우 양상 시퀀스 성분만 존재합니다.


일반적으로 A 연결이 사용되며 B 연결은 사용하지 않습니다. B 연결이 필요한 경우가 발생하면 검토해 보기 바랍니다.
5. CT 2차 턴 수
전류비는 권선비를 설정하는데, 1차 측은 보통 한 바퀴 또는 두 바퀴로 구성되는데, 2차 측은 수백 바퀴를 돌 수 있기 때문에 1차 측과 2차 측의 비가 상당히 클 수 있습니다. 예를 들어 1차 측 권선의 전류 정격을 100A라고 가정해 보겠습니다. 2차 측 권선의 표준 정격은 5A입니다. 그러면 1차 측 전류와 2차 측 전류의 비는 100A 대 5A, 즉 20:1입니다. 즉, 1차 측 전류가 2차 측 전류보다 20배 더 큽니다.
그러나 100/5 등급의 변류기는 20/1 등급의 변류기나 100/5 등급의 세분류기와 동일하지 않습니다. 이는 100/5 등급의 변류기가 "입력/출력 전류 등급"을 표현하는 것이지 1차와 2차 권선의 실제 비율을 표현하는 것은 아니기 때문입니다. 또한 1차 권선과 2차 권선의 변류 수와 전류는 반비례 관계에 있습니다.
그러나 1차 턴이 1회 패스와 같고 2회 이상의 패스가 윈도우를 통과하는 CT의 윈도우를 통과하는 1차 턴을 수정함으로써 비교적 큰 전류 변압기 턴 비율 변화를 달성할 수 있습니다.
예를 들어, 300/5A와 같은 관계에 있는 전류 변환기는 내부 창을 2~3번 통과하여 150/5A 또는 100/5A로 변환할 수 있습니다. 이는 전류 변환기가 더 작은 1차 전류선에 사용될 때 전류계의 최대 출력 전류를 제공할 수 있도록 해줍니다.

'전기 Engineering > 단선도에 포함된 모든 정보' 카테고리의 다른 글
| KEC 적용 전동기용 MCCB (Susol TM Type) 및 케이블 선정표 (0) | 2023.11.11 |
|---|---|
| KEC적용 전동기용 MCCB (Susol MO Type) 및 케이블 사이즈 선정표 (2) | 2023.11.09 |
| 3상 전력과 단상 전력에 대한 이해 (1) | 2023.11.02 |
| CT (변류기)의 1차 정격 전류 선정 방법 (1) | 2023.10.31 |
| 누전 차단기 (ELCB)의 적용 기준에 대하여 (0) | 2023.10.25 |