ELCB는 누설전류를 체크하여 트립 시키는 기능을 가진 차단기입니다. 10mA에서 500mA까지 다양한 범위가 있는데 이에 대한 적용 방안에 대하여 설명드리려고 합니다.
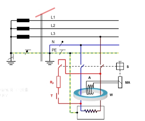
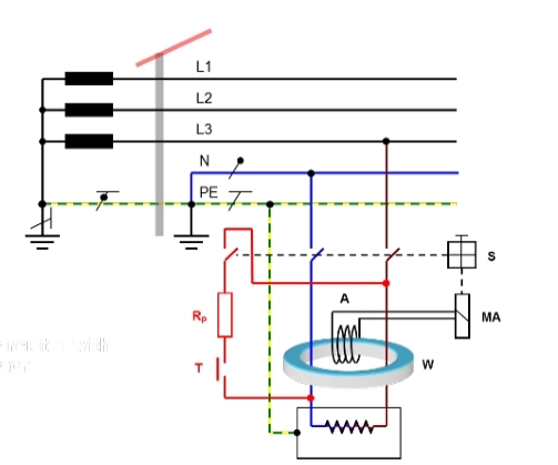
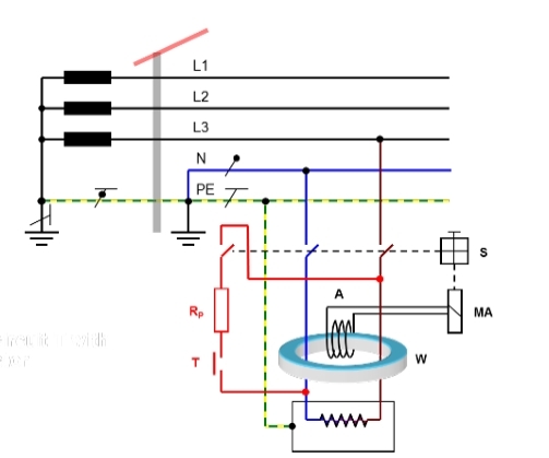
ELCB의 구조와 동작 원리에 대한 간략한 그림을 소개합니다.

자료 출처 : ABB 카탈로그

자료 출처 : ABB 카탈로그

자료 출처 : ABB SACE 카탈로그
위의 그림에서 T는 테스트 스위치며 동작 시험을 할 수 있도록 삽입되어 있습니다. 주기적으로 테스트가 필요합니다. 다만 운전 중에 누르면 실제로 트립이 되므로 주의가 필요합니다.
ELCB는 크게 두 가지 분류로 나눌 수 있는데 하나는 인체보호용이고 다른 하나는 화재 보호용입니다. 인체보호용은 30mA 이하의 ELCB이고 그 이상은 화재 보호용이라고 할 수 있습니다. 인체에 흐르는 전류의 크기에 따라 충격의 정도를 다음 그림에서 보여주고 있습니다. 30mA 가 넘으면 위험하다고 볼 수 있습니다.

자료출처 : ABB EL05 RCD 자료
| 인체 전류 | 자각 | 효과 |
| 0.5mA | 자각증상이 없음 예외사항: 손가락 끝 혀 상처를 통한전류 |
유해하지 않음 |
| 3mA | 개미가 문것 같은 느낌 | 위험하지 않음 |
| 15mA | 잡은 부위를 놓을 수 없음 | 기분나쁘지만 위험하지 않음 |
| 40mA | 신체 경련, 횡경막 경련 | 수분내 질식의 위험이 있음 |
| 80mA | 심실 진동 | 극히 위험, 수분내 죽을 수 있음 |
개략적 적용 기준은 다음 그림에서 보여줍니다. 인체 보호는 30mA, 소규모 공장 등은 500mA 이하 그리고 대규모 공장은 1000mA까지 사용 가능합니다.

자료 출처 : B_ELSB_Cat_2022_02_Residual current devices.pdf
국내에서 인체 보호용을 위한 ELCB의 적용 기준은 KEC를 참조하여 작성하였습니다.
KEC에서는 여러 설비에 대한 ELCB의 기준을 정의하고 있습니다.
한곳에 모아서 명확히 보여주고 있지는 않습니다. 정리하면 다음과 같습니다.
(1) 일반적인 장소 : 감도 전류 30 mA, 동작시간 0.03 sec
(2) 화장실 등 인체가 물에 젖은 상태로 사용할 가능성이 있는 곳 : 감도 전류 15 mA, 동작 시간 0.03 sec

자료 출처 : KEC 142.7

자료 출처 : KEC 242.10.3

자료 출처 : KEC 234.5
플랜트에서도 OUTLET / SOCKET 회로는 기본적으로 30mA의 감도 전류를 적용합니다. 플랜트에서는 32A를 기준으로 적용하며 용접기용 60A 이상에는 적용하지 않습니다.
30mA를 넘는 ELCB의 감도 전류는 일반적으로 100, 300, 500, 1000mA의 정격으로 되어 있습니다. 이 전류에서 어떤 값을 세팅할 것인지는 정해진 표준은 없습니다. 각 공장의 특성에 따라서 누설 전류가 많이 발생하는 공장은 감도를 높게 해야 하고 그렇지 않다면 가급적 낮은 값에 세팅하는 것이 안전합니다. 공장에서는 ELCB의 이유 없는 갑작스러운 트립을 가장 경계해야 하므로 현장의 경험이나 누설 전류 측정값에 따라 결정하는 것이 좋습니다.
'전기 Engineering > 단선도에 포함된 모든 정보' 카테고리의 다른 글
| 3상 전력과 단상 전력에 대한 이해 (1) | 2023.11.02 |
|---|---|
| CT (변류기)의 1차 정격 전류 선정 방법 (1) | 2023.10.31 |
| 소규모 공장의 저압 수전 가능 용량과 단선도 작성 (1) | 2023.10.16 |
| 저압 수전 계통의 단락 전류 계산 (1) | 2023.10.15 |
| 규격별 변류기의 정격 (Rating of CT - Current Transformer) (0) | 2023.09.14 |