과전류 계전기 (OCR)는 보호 계전 시스템에서 가장 많이 사용되는 만큼 가장 중요한 계전기라고 볼 수 있습니다. 그렇기 때문에 가장 잘 이해하고 적용할 수 있어야 하는 계전기입니다. 한시(51)와 순시(50)로 크게 나뉘지만 하나의 계전기 안에 다 포함되어 있는 기능들입니다.
이 포스팅에서는 이 과전류 계전기의 설치 방법과 설치 위치 그리고 그 특성에 대해서 알아보겠습니다.
1. 과전류 계전기 설치 방법 및 설치 위치
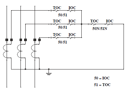
과전류 계전기는 아래 그림과 같이 CT의 2차 측에 설치하며 각 상마다 설치하고 필요시 중성선에 지락과전류 계전기를 설치합니다. 아래 그림에서 TOC는 한시, IOC는 순시 특성을 나타냅니다.

과전류 계전기의 설치 위치는 다음 그림에서 E, D, C, B에 모두 설치됩니다. 전력 시스템의 각 구간의 인입 시작점 (Infeed end)에 설치됩니다.

자료출처 : 슈나이더 자료
2. 과전류 계전기의 시간 변별 (Time Discremination)
위 그림에서 만약 B-A 구간의 F에서 단락이 발생하면 E부터 D까지의 모든 과전류 계전기가 동시에 동작을 하게 됩니다. 그래서 모든 차단기가 트립 되면 큰 문제가 될 겁니다. 이런 문제를 해결하기 위해서 각 단계의 계전기에는 Time Discremination (시간 변별)을 고려하여 세팅하여야 합니다. B에 설치된 계전기의 동작 시간이 가장 짧고 E의 계전기가 가장 늦게 동작하도록 합니다. 각 계전기 간의 시간 차는 하위 차단기가 완전히 트립 될 때까지 상위 계전기가 동작을 하지 않도록 해야 합니다. 계전기와 차단기의 동작 시간 등 여러 고려 요인이 있겠지만 일반적으로 각 계전기 간의 시간 차는 250ms (0.25s)를 기준으로 합니다. 이전의 포스팅에서 케이블의 사이징에서 차단기의 트립 시간을 200ms로 설명을 했습니다. 그래서 이 시간 보다 좀 더 여유를 둔 값입니다. 물론 실전에서는 도저히 시간 간격이 나오지 않아서 이보다 짧게 할 수도 있습니다. 최소한 200ms는 확보해야 합니다. 실제 현장에서 200ms로 많이 적용했습니다.
IEEE 242 에서는 CTI (Certain Time Interval)이라고 정의를 하는데 그 시간을 아래와 같이 정의했습니다. 요즘 사용하는 디지털 계전기는 표시가 없지만 Static에 준해서 0.2s 즉 200ms라고 이해하시면 됩니다.

Schneider의 자료에는 Grading Margin으로 표현되어 있는데 다음과 같은 기준을 제시하고 있습니다. 이 자료는 좀더 긴 Time Interval을 요구하고 있습니다. 디지털 계전기에서 300ms의 간격을 요구합니다. 시간 간격이 넓으면 좋겠지만 여러 단계로 구성된 시스템에서는 문제가 심각해집니다. 그래서 최소한의 값을 찾게 되는데 IEEE의 기준이 좋다고 개인적으로 생각합니다.

자료 출처 : Schneider 기술 자료
3. 과전류 계전기의 전류 변별 (Current Discremination)
위의 시간 변별에는 하나의 문제가 있는데 이는 발전원에 가까워서 단락 용량이 커지는 쪽의 차단기가 가장 늦게 트립이 되는 것입니다. 하위 차단기의 과전류 계전기부터 시간을 점차 늘려서 세팅하면 상위 차단기는 차단 시간이 상당히 늦게 되는 것입니다. 그래서 임피던스에 의한 전류의 차이를 고려하여 전류를 다르게 세팅하는 것이 전류 변별입니다. 이것도 다른 문제가 하나 있는데 위 그림에서 E-D, C-B 구간은 임피던스 차이가 거의 없어서 전류도 차별화되기 어렵다는 것입니다. 그래서 D-C, B-A 구간같이 변압기를 포함하는 구간에 적용하기가 쉽습니다.
4. 시간과 전류에 의한 변별 (Time and Current Discremination)
시간과 전류 각각 문제가 있으므로 이 두 가지를 합쳐서 정정을 하면 최적의 정정을 할 수 있습니다. 우선적으로 전류에 의한 정정을 하고 전류 분별이 안 되는 구간은 시간에 의한 정정을 하면 됩니다.
5. IDMT (Inverse Definite Minimum Time)의 종류
먼저 IEC 기준의 IDMT를 살펴보면 아래와 같습니다. 그 종류와 계산식 그리고 커브가 아래 그림에 나타나 있습니다. 상위단의 IDMT가 정해지면 하위단도 그에 따라가는 것이 좋습니다. 그래야 Discremination 이 가능합니다.


미국의 규격에 따른 IDMT는 다음과 같은 종류가 있습니다. 마찬가지로 수식과 커브도 보여주고 있습니다.


6. TMS (Time Multiplier Setting) 시간 배수 정정
위의 IDMT 커브는 TMS가 1일 때의 커브입니다. 정밀한 계전기 세팅을 위해서 계전기에는 TMS라는 세팅 값이 있고 각 세팅 값에 따라 커브가 변합니다. 아래는 Inverse 커브에 대한 TMS 별 커브를 보여줍니다.

위 그림에서 TMS가 0.1부터 0.1의 간격으로 나누어져 있는 것 같지만 Digital 계전기에서는 거의 연속에 가깝게 조정이 가능합니다.
어떤 경우에 어떤 형식의 커브를 적용할지에 대해서는 정확한 기준이 없습니다. 다만 일반적으로 Standard Inverse를 주로 사용하고 과전류가 커질 때에 더 빠른 차단을 원하는 경우에는 Very Inverse를 적용합니다. 한전의 Feeder에는 Very Inverse를 적용하고 있습니다. 그래서 수전받는 수용가에서도 Very Inverse를 수전단 과전류 계전기에 적용해야 합니다. 부하에 대해서는 각각의 부하 특성에 맞춰서 적용할 수 있습니다.
7. 과전류 계전기의 정정 기준
과전류 계전기는 모든 시스템의 보호의 기초이기 때문에 대부분의 기기 보호에 사용됩니다. 그래서 다양한 위치에 대한 다양한 기준이 있습니다. 초고압부터 저압까지 모두 적용되기 때문에 앞의 포스팅에서 설명했던 변별 (Discremination) 이 매우 중요합니다.
과전류 계전기를 설치한 후 제일 어려운 것이 어떤 값으로 트립을 세팅할 것인가에 대한 것입니다. 아래 기준은 여러 자료를 참조하여 작성된 것으로 절대적인 것은 아니며 현장마다 조금씩 다르게 세팅할 수 있습니다. 아래 자료는 참고용으로 사용하시면 됩니다.
1) Incomer (수전 차단기)에 설치된 과전류 계전기
Incomer는 후단에 변압기가 바로 연결된 경우와 SWGR가 있고 그 후단에 변압기가 연결된 두 가지 경우가 있는데 직접 변압기가 연결된 경우는 아래의 Transformer 보호 과전류 계전기의 정정을 적용하고 여기서는 후단에 SWGR가 있는 경우를 설명합니다.
50 (순시) - IEEE C37.91-2000 clause 6.3.2에 따라 하단 변압기의 저압 측 고장 시의 Through-fault-current의 125% - 200%로 세팅(175% 추천), 단 변압기의 돌입 전류보다 큰 값이어야 하며, 변압기 전단의 차단기와 보호 협조 필요. (CTI 적용)
51 (한시) - 정격전류의 110% (Incomer는 보통 충분한 용량을 가지고 평상시는 80% 이하의 전류에서 운전되는 것이 보통이므로 과전류 세팅은 정격용량의 110%가 적절합니다. 특별한 규정을 가지고 있는 Standard는 없습니다.)
2) Transformer 보호 과전류 계전기
변압기의 주 보호는 일반적으로 87 계전기가 담당합니다. 과전류 계전기는 세팅 값이 높아서 정확하고 빠른 보호에는 적합하지 않습니다. 87이 적용되지 않는 소용량 변압기에 적용할 때는 낮은 세팅을 고려할 필요가 있습니다.
50 (순시) - IEEE C37.91-2000 clause 6.3.2에 따라 하단 변압기의 저압 측 고장 시의 Through-fault-current의 125% - 200%로 세팅(175% 추천), 변압기의 돌입 전류보다 큰 값이어야 함.
51 (한시) - IEEE C37.91-2001, Clause 6.3.1에 따라 정격전류의 125% - 150%로 세팅 (125% 추천)
3) Motor 보호 과전류 계전기
Motor에 대한 보호는 49와 다른 기능들이 주로 담당하고 과전류 요소는 Back-up 기능입니다. 기동전류와 기동 시간을 고려하여 기동시 트립이 되지 않도록 주의해야 합니다.
50 (순시) - IEEE C37.96-2000, Clause 7.2.10.3.1에 따라 기동전류 (Locked-rotor current)의 165% - 250%로 세팅 (200% 추천)
51 (한시) - IEEE C37.96-2000, Clause 7.2.10.7.1에 따라 정격전류의 115%로 세팅, 시정수는 Motor의 기동시간 안에 트립 되지 않도록 조정하고 Motor의 Thermal curve 아래에 위치하도록 정합니다.
참고 자료
1. http://powersystemprotectiverelaying.blogspot.com/2012/12/non-directional-overcurrent-relay.html
2. Schneider - Overcurrent Protection for Phase and Earthfault
3. IEEE 242-2001. IEEE Recommended Practice for Protection and Coordination of Industrial and Commercial Power Systems (IEEE Buff Book).
4. IEEE C37.91-2000 - IEEE Guide for Protecting Power Transformers, 최신 규격은 2021년임.
5. IEEE C37.96-2000 - IEEE Guide for AC Motor Protection, 최신 규격은 2012년임.
'전기 Engineering > 단선도에 포함된 모든 정보' 카테고리의 다른 글
| 재가속 (Reacceleration)과 재기동 (Re-starting)에 대하여 (0) | 2023.09.10 |
|---|---|
| 지락 과전류 계전기 (50/51N, 50/51G) 의 설치와 결선 및 정정 방법 (0) | 2023.09.09 |
| 차단기의 정격 전류 선정 방법 (전동기 보호용) (1) | 2023.07.03 |
| Trench 포설 시의 Cable Sizing 방법 (0) | 2023.07.03 |
| Tray 포설 시의 Cable Sizing 방법 (2) | 2023.07.03 |