이번 포스팅은 전동기의 기동 방법 중에서 Y-D 기동에 대해서 설명하려고 합니다. 이전의 다른 포스팅에서 전동기 기동법에 대해서 다룬 적이 있지만 Y-D 기동은 그 특성상 상당히 어렵고 복잡한 면이 있습니다. 대체로 크게 신경 쓰고 있지 않지만 이번 기회에 상세히 다루고자 합니다.
Y-D 기동기의 일반적인 설명
1. 이것은 대형 전동기의 기동에 사용되는 또 다른 일반적인 기동 방법입니다. 3상 유도 전동기의 권선이 스타에서 델타로 전환되며 전동기가 기동됩니다.
2. 유도 전동기의 기동 시에는 3극 전자접촉기를 이용하여 스타로 연결합니다. 스타 연결 시의 상전압은 1/ √3의 비율로 감소하고, 기동 전류는 물론 기동 토크도 정상 정격값의 1/3로 감소시킵니다.
3. 전동기가 가속되면 타이머 릴레이가 고정자 권선의 "스타 연결부"를 "델타 연결부"로 전환하여 각 권선을 통해 전체 전압을 전달합니다. 전동기는 정격으로 작동하게 됩니다.

장점:
- 디자인이 단순하고 비용이 낮습니다.
- 유지 보수가 필요하지 않습니다.
- 낮은 서지 전류 제공
- 대형 유도 전동기 기동에 사용됩니다.
- 기동 시간이 긴 경우에 가장 좋습니다.
단점:
- 와이어 연결이 더 많습니다
- 델타 연결 전동기에서만 가능합니다.
- 낮은 시동 토크를 제공합니다
- 스타에서 델타로 전환하는 동안 기계적 저크가 발생합니다
Y-D 기동기의 상세 설명
1. 대부분의 유도 전동기는 DOL starter를 사용하여 기동을 하지만, 매우 큰 전동기가 그렇게 기동을 하면 큰 기동전류 서지로 인하여 공급선상의 전압 교란을 일으킵니다.
2. 기동 전류 서지를 제한하기 위해 대형 유도 전동기는 감소된 전압에서 기동한 다음 최대 속도에 도달하면 정상 전압을 다시 연결합니다.
3. 가장 유명하고 간단한 저전압 기동기입니다.

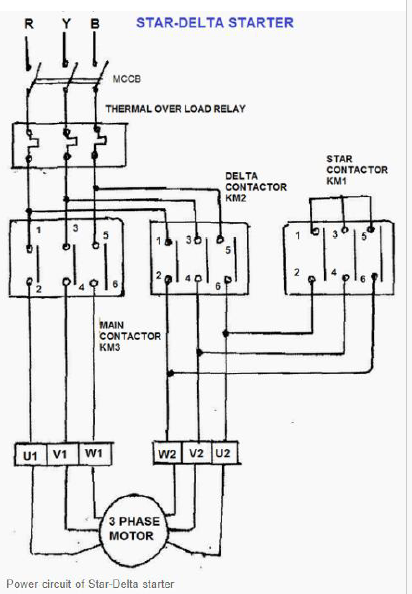
4. 위의 사진에서 알 수 있듯이, 하나의 Y-D starter는 다음과 같이 구성됩니다:
- 메인 전자 접촉기
- 델타 전자 접촉기
- 스타 전자 접촉기
- 과부하 계전기
- 타이머
5. Y-D 스타터의 동작 원리는 다음과 같습니다.

6. 전통적으로 5hp(4kW) 이상의 모든 전동기에 감압식 기동기를 장착해야 하는 요구 사항이 있어 왔습니다. Y-D는 가장 낮은 비용의 전기 기계식 감압식 기동기 중 하나입니다.
7. 앞서 본 바와 같이 Y-D 스타터는 전자 접촉기 3개, 타이머 및 과부하 계전기로 구성됩니다.
8. 접촉기는 DOL 스타터에 사용되는 단일 접촉기보다 크기가 작습니다.
9. 초기에는 "Main Contactor"와 "Star Contactor"가 모두 통전(닫힘)되어 전동기의 권선이 "Stat" 배열로 연결됩니다.
10. 설정 시간이 지나면 "스타 전자 접촉기" 전원이 공급되지 않고(열림), "델타 전자 접촉기" 전원이 공급되고(닫힘), "델타" 배열로 전동기 권선을 연결하게 됩니다.
11. Y-D 스타터에 사용되는 모든 전자 접촉기는 AC3 등급 전자 접촉기여야 합니다.
12. 전자 접촉기의 사이징은 다음과 같이 결정됩니다:
(a) 주 전자 접촉기 - 전동기 정격 전류의 58%(1/√3).
(b) 델타 전자 접촉기 - 전동기 정격 전류의 58%(1/√3).
(c) 스타 전자 접촉기 - 전동기 정격 전류의 33%(1/3).
13. Y-D 스타터의 전원 회로는 그림과 같아야 합니다.

14. "스타" 및 "델타" 전자 접촉기는 두 접점이 함께 우발적으로 CLOSE 되는 것을 방지하기 위해 전기적 및 기계적으로 인터록됩니다.
메모: 기동 시간이 15초를 초과하는 경우, 더 큰 스타 전자 접촉기를 선택해야 합니다. 기동 전자 접촉기의 등급이 메인 전자 접촉기 등급과 동일한 경우, 기동 시간은 약 1분까지 허용됩니다.
15. Y-D 스타터의 제어 회로는 아래 그림에서 확인할 수 있습니다:

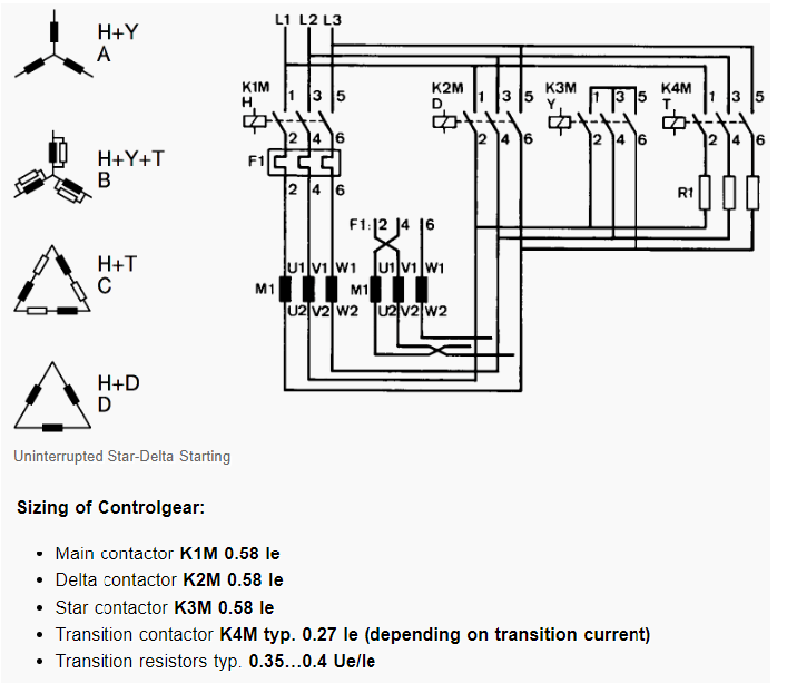
16. Y-D Starters에는 두 가지 유형이 있습니다. 그 영역은 다음과 같습니다
(a) OTS(Open Transition Starters)
(b) CTS(Close Transition Starters)
17. OTS에서는 외부 스위칭을 통해 권선 연결 방식이 재구성되는 동안 전동기가 전원에서 분리됩니다. 그리고 갑자기 전원이 다시 연결되고 권선 연결 방식이 바뀝니다. 아래 그림에서 볼 수 있듯이 이러한 유형의 외부 스위칭은 순간적으로 문제를 초래합니다.

18. 결과적으로 OTS의 전류 및 토크가 급증하면 시스템에 전기적 및 기계적 충격이 발생할 수 있습니다.
19. CTS는 스위칭 과도 충격의 크기를 줄이는 기술을 사용합니다. 이를 위해서는 4번째 접촉기와 3개의 저항 세트를 사용해야 합니다.

20. 아래의 회로에서 스타 전자 접촉기가 열리기 전에 네 번째(전이 전자 접촉기) K4M이 저항을 통해 전동기 델타 회로를 닫습니다. 이는 스위치 오버 동안 전동기 전류가 중단되는 것을 방지하고 전동기 속도를 실질적으로 일정하게 유지하게 합니다.

21. 이후 델타 전자 접촉기 K2M은 최종 스위칭 상태를 생성하고 전이 전자 접촉기 K4M을 분리합니다.
향상된 스타 델타 스타터
1. 향상된 Y-D 기동은 정상 Y-D 동안 토크가 충분하지 않을 때 사용됩니다.
2. 다음과 같은 향상된 Y-D 기동 방법을 실제로 사용할 수 있습니다:
(a) 결합 스타 델타 기동(CSD)
(b) 부분권선 스타 델타 기동(PWSD)
결합 스타 델타 기동(CSD)
전동기 권선들은 일반적으로 똑같이 두 개로 나뉩니다. 기동하는 동안 반은 델타로, 나머지 반은 스타로 연결됩니다. 그에 상응하여 더 높은 기동 토크가 발생합니다.


부분권선 스타 델타 기동(PWSD)
전동기 권선은 나누어져 있습니다. 기동용 스타 연결 중에는 메인 권선(전체 권선의 일부)만 사용됩니다. 이는 상응하게 더 높은 시동 토크를 발생시킵니다.


자료 출처: Motor Starters by Eng. R. T. Paramanayagam (copied from Linkedin)
'전기 Engineering > 전기 설비에 대한 모든 것' 카테고리의 다른 글
| 변압기의 주요 공장 검사 항목 12가지 (1) | 2024.01.01 |
|---|---|
| Transformer No-Loss Mesurement (변압기 무부하손 측정) (0) | 2023.12.26 |
| Main Cable Route Plan - Cable Tray (0) | 2023.11.17 |
| CT 2차 개방 시의 전압 발생 및 계산에 대하여 (0) | 2023.10.25 |
| 고압 소프트 스타터 이해 (Medium voltage Soft Starter) (2) | 2023.10.02 |