전기 전문 블로그 "eec237"입니다. 이번 포스팅에서는 변압기의 공장 검사에 대하여 살펴보려고 합니다. FAT는 Factory Acceptance Test의 약자로 공장 승인 검사라고 할 수 있습니다. 제작이 끝나고 자체 시험이 완료되면 발주처의 검사관이 참여하여 FAT를 실시합니다. 여기서 모든 검사가 통과되면 변압기를 납품할 수 있게 됩니다. 따라서 FAT는 매우 중요하며 공장을 떠나기 전에 마지막 단계이므로 문제가 하나도 남지 않도록 잘 체크해야 합니다.
여기서는 주요 12개의 시험에 대하여 간략하게 설명하도록 하겠습니다. 이 12개의 시험 목록은 완전하지 않으며 Turn ratio test 또는 Measurement of voltage ratio 및 check of phase displacement와 같이 누락된 테스트가 일부 있습니다.
목록

1. No-Load Loss (무부하 손실 측정)
이 테스트는 지정된 여자 전압 및 지정된 주파수에서 무부하 손실을 측정합니다. 변압기의 운전에 다른 파형이 요구되지 않은 경우 사인파 전압이 사용됩니다.

추천되는 방법은 두개의 병렬연결된 전압계들을 사용하는 평균 전압 전압계법입니다. 하나의 전압계는 평균 응답이지만 RMS 보정된 전압계이고 다른 하나는 실제 RMS 응답 전압계입니다.
테스트 전압은 평균 응답 전압계에 의해 측정된 대로 지정된 값으로 조정됩니다. 두 전압계의 측정값은 무부하 손실을 사인파 기준으로 보정하는 데 사용됩니다.
시험을 위한 결선도는 아래와 같습니다.

2. No-Load Excitation Current (무부하 여자전류 측정)
이 전류는 다른 권선들이 개방된 상태에서 변압기를 여자하기 위해 사용된 권선에서 측정됩니다. 그것은 일반적으로 권선의 정격 전류의 백분율로 표시됩니다. 무부하 여자 전류는 정현파가 아니며 홀수 고조파(주로 3차 고조파 전류)를 포함합니다.
무부하 여자 전류를 기록하는 데 사용되는 전류계는 고조파 전류 제곱의 합의 제곱근을 읽는 RMS 미터입니다.
3. Load Losses and Impedance volage (부하손과 임피던스 전압 측정)
부하 손실 및 임피던스 전압을 측정하기 전에 변압기가 특정한 상태가 되어야 합니다. 즉 절연유의 온도가 안정화되어야 하며 상부 및 하부 오일 온도의 차이가 5°C 이하여야 합니다.

권선 온도가 시험 전과 후에 저항법을 사용하여 측정되어야 합니다. 그리고 두 측정값의 평균을 실제 온도로 정하게 됩니다. 시험 전과 후의 권선의 온도 차는 5도를 초과하면 안 됩니다.
부하손과 임피던스 전압을 측정하는데 두가지 방법이 있습니다.
첫째는 전력게-전압계-전류계 방법이고
둘째는 임피던스 브릿지 방법입니다

이러한 테스트는 일반적으로 한 세트의 권선에 감소된 전압을 인가하고 다른 세트의 권선은 단락 됩니다. 3권선 변압기의 경우 한 번에 두 개씩 취한 권선의 각 조합에 대해 이러한 테스트를 반복합니다.
4. 절연 시험 (Dielectric Test)
절연 시험은 인가전압 시험과 유도 전압 시험으로 구성됩니다.
인가전압 시험은 한 번에 한 권선씩, 한 권선의 모든 부싱에 고전압을 인가하고 다른 권선은 접지시킵니다. 60Hz 전압은 15초에 걸쳐 점진적으로 증가하고 40초 동안 유지되며 5초에 걸쳐 0으로 감소합니다.
유도 전압 시험은 턴-투-턴 절연의 품질을 테스트하기 위해 다른 권선들이 개방된 상태에서 한 권선에 높은 전압을 인가합니다. 높은 여자 전압에서 코어 포화를 방지하기 위해 유도 전압 테스트의 주파수를 증가시킵니다(보통 120Hz 정도). 유도 전압은 7200 사이클 또는 60초 중 짧은 시간 동안 인가됩니다.
5. 스위칭 임펄스 시험 (Switching Impulse Test)
스위칭 임펄스 시험은 고전압측 단자와 접지 사이에 스위칭 임펄스 파형을 인가합니다.
테스트 시리즈는 한 번의 감소된 전압 파형(지정된 테스트 레벨의 50%–70%)과 두 번의 완전 전압 파형으로 구성됩니다. 양 또는 음의 극성 파형 또는 두 가지 모두를 사용할 수 있습니다. 전압 오실로그램은 적용된 각 파형에 대해 촬영됩니다. 전압의 급격한 붕괴가 없으면 테스트가 성공적입니다. 연속된 오실로그램은 코어의 포화의 영향 때문에 다를 수 있습니다.

6. 뇌 임펄스 시험 (Lightning Impulse Test)
시험 절차는 한번의 감소된 전체 파형과 두번의 재단파와 두번의 전체 파형으로 구성됩니다. 탭 연결은 테스트 하에서 권선의 최소 유효 턴으로 이루어지며 조절 변압기는 최대 벅 위치로 설정됩니다. 각 파형에 대해 오실로그램을 촬영합니다.
결과를 해석하는 일반적인 기법은 턴-투-턴 절연 실패를 보여주는 감소된 전체 파형과 두번의 전체 파형 간의 차이를 보는 것입니다.

IEEE Std. C57.98-1993에 추가적인 시험 범위가 있습니다. 임펄스 시험은 일반적으로 수행되는 모든 공장 시험 중에서 아마도 가장 실패 가능성이 높을 것입니다.
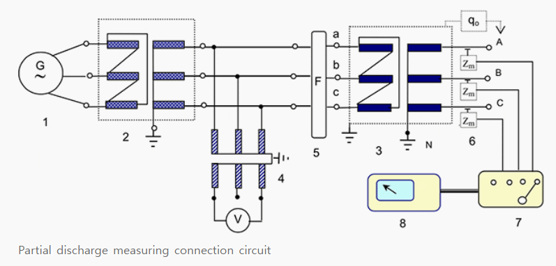
7. 부분 방전 시험 (Partial Discharge Test)
이 시험은 절연체의 공극 내부의 부분 방전에서 발생하는 라디오 주파수 (0.85-1.15MHz)의 노이즈를 검출합니다. 인가된 전압은 부분 방전이 시작하기까지 서서히 증가하는데, 이것이 개시 전압입니다. 그러면 전압이 부분 방전이 멈출 때까지 이 전압이 소멸 전압입니다.
소멸 전압은 변압기의 운전 전압보다 작아야 합니다. 그렇지 않으면(일부 전압 과도현상으로 인해) 한번 현장에서 부분 방전이 시작되면 무제한으로 계속되어 손상 또는 고장이 발생할 수 있습니다.

8. 절연체 역률 측정 (Insulation Power factor)
절연 역률은 과 사인파 전압 하에서의 피상 전력(VA)에 대한 절연체에서 소비되는 전력(W)의 비율입니다. 이 테스트의 인가된 60Hz 전압은 일반적으로 변압기의 운전 전압보다 낮습니다. 이 테스트를 수행하기 위해 특별히 설계되었습니다.
휴대용 버전은 현장에서 변압기의 절연 역률을 측정하는 데 사용됩니다. 이 테스트는 보통 숙련된 기술자에 의해 수행되어야 합니다. 테스트 결과는 기준 온도인 20°C로 온도 보정됩니다.
9. 절연 저항 측정 (Insulation Resistance)
이 테스트는 다른 권선들을 접지시킨 상태에서 한 번에 하나의 권선에 고압 DC 전압을 인가합니다. 누설 전류를 측정하고 절연 저항을 옴의 법칙을 사용하여 계산합니다.

절연 저항 시험 장치는 이 시험을 수행하기 위해 특별하게 설계된 것입니다. 이 장치의 계측기는 계산을 하지 않기 위해 메가옴으로 보정되어 있습니다. 이 계기는 현장에서 쉽게 시험할 수 있도록 이동식 계측기로도 만들어져 있습니다.
10. 소음 측정 (Noise Measurement)
소음 측정 시험은 변압기의 모든 냉각 장비가 작동하는 상태에서 정격 전압으로 통전되는 동안 수행됩니다. 시험실의 기하학적 구조는 측정에 큰 영향을 미칠 수 있으므로 변압기가 무반향 챔버 내에 있는 것이 바람직합니다. 그러나, 그러한 챔버를 이용할 수 없는 경우, 음향 반사 표면은 바닥 또는 대지 이외에는 측정 마이크로폰의 3M 이내에 있지 않아야 합니다.

사운드 파워 레벨은 지정된 주파수 대역에서 측정됩니다. 사운드 파워 레벨은 데시벨(dB)로 변환됩니다.
11. 온도 상승 시험 (Temperature Rise)
변압기는 코어손을 발생시키기 위해서 정격 전압으로 가압됩니다. 부하 손실을 발생시키기 위해, 권선들은 모든 권선들을 통해 정격 전류를 동시에 순환시키는 부하 변압기에 연결됩니다.
당연히 여자 전압과 인가된 순환 전류는 전기적으로 90° 간격을 두어 이 테스트에 필요한 KW를 최소화할 수 있습니다. 그럼에도 불구하고 대형 변압기는 최대 1MW 전력 손실을 소모할 수 있으며 온도 상승 테스트는 수행하기에 비용이 많이 드는 테스트입니다.

그러므로 총비용을 감소시키기 위해서 온도 상승 시험은 일반적으로 고객이 추가 시험을 우해 비용을 지불할 것을 선택하지 않는 한 다수의 변압기 구매에서 한 한대의 변압기에만 수행합니다.
12. 단락 시험 (Short-Circuit Test)
단락 시험은 고객이 자기의 구매 변압기에 대해서 이 시험을 수행해 줄 것을 요구하지 않는 한 일반적으로 변압기의 철심과 권선 조립을 검증하기 위해서 샘플 변압기에 대해 적용됩니다.
고객은 이 시험을 통해서 변압기가 손상을 입을 가능성이 있다는 점을 인식해야 합니다.
단락 테스트를 적용하기 전과 후에 저전압 임펄스(LVI) 전류 파형이 변압기에 인가됩니다. 권선에 기계적 손상을 나타낼 수 있는 파형의 중요한 변화를 판단하기 위해 LVI 전류의 "전"과 "후" 오실로스코프 그래프를 비교합니다.
참고 자료: https://electrical-engineering-portal.com/12-transformer-factory-tests-briefly-explained
'전기 Engineering > 전기 설비에 대한 모든 것' 카테고리의 다른 글
| 개별 전동기용 역률 보상 커패시터 설치 회로 (1) | 2024.01.31 |
|---|---|
| Why a 10 kV INSULATION TESTER? (10kV Megger가 필요한 이유) (1) | 2024.01.07 |
| Transformer No-Loss Mesurement (변압기 무부하손 측정) (0) | 2023.12.26 |
| Y - D Starter (와이 델타 기동기)의 이해 (2) | 2023.12.04 |
| Main Cable Route Plan - Cable Tray (0) | 2023.11.17 |