1. Cross Bonding System의 실제 적용
CROSS BONDING SYSTEM의 장단점은 매우 간단합니다.
장점은 최고의 본딩 방식이며 케이블 길이의 한계가 없이 적용이 가능하고 다른 방식의 장점을 모두 가지고 있다는 것입니다. 단점은 복잡하고 비용이 많이 든다는 것이죠.
154KV 이상의 초고압 케이블 수전 시에는 일반적으로 케이블 공급 회사에서 모든 설계를 같이 수행합니다. 당연히 CORSS BONDING 을 적용한 케이블 시스템을 설계하고 모든 필요한 부품 (LINK BOX 포함)을 공급합니다. 그래서 엔지니어링 회사에서는 크게 신경을 쓰지 않아도 됩니댜.
그런데 만약 33KV 나 22KV 등으로 내려오면 어떻게 될까요? 같은 케이블 회사라도 이러한 MEDIUM VOLTAGE CABLE을 취급하는 곳에는 케이블 시스템 설계라는 개념 자체가 없습니다. 그냥 지정된 케이블 사양에 따라 케이블만 공급하면 끝입니다. 저의 경험상 5KM 떨어진 TANK FARM까지 20KV 시스템으로 전기를 공급해야 했던 적이 있습니다. 그 당시 저는 이러한 CROSS BONDING SYSTEM 이란 것을 모르고 있었고 초기 설계시에는 전혀 고려하지 않고 7개의 드럼으로 케이블을 구매하였을 뿐이었습니다. 설계하던 중에 CROSS BONDING SYSTEM을 알게 되었고 6개의 구간은 CROSS BONDING으로 하고 나머지 한 구간은 SINGLE POINT BONDING으로 했습니다.
그리고 이 CROSS BONDING에 필요한 모든 다른 부품들 - CROSS BONDING 용 SPLICING KIT, LINK BOX, SHEATH LEAD CABLE 등 - 을 모두 하나씩 별도로 구매해야 했습니다. 또한 CROSS BONDING으로 했을 경우의 케이블 사이징을 스스로 해야 했었습니다. 모든 어려운 일이나 까다로운 발주처는 사실 나에게 도움이 됩니다. 그때 이후로 CROSS BONDING이란 것에 관심을 가지고 STUDY 하게 되었습니다.
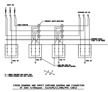
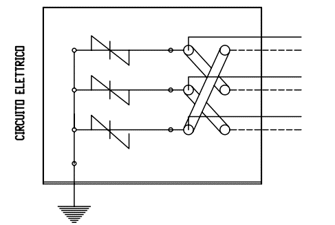
다음은 예전에 제가 적용했던 33KV 케이블의 CROSS BONDING SYSTEM 적용 사례의 도면을 보여드리면서 설명을 하려고 합니다.
1) 33KV CABLE SYSTEM CONFIGURATION

여기서는 SHEATH는 CROSS BONDING을 적용하였지만 CABLE CORE는 연가(TRANSPOSE)를 하지 않았습니다. CABLE 거리가 2KM 정도 였기 때문에 굳이 필요하지 않다고 생각했습니다. (사실 이때는 연가가 필요하다는 생각을 못했었죠) 2KM의 구간을 약 700M 의 드럼을 이용해서 MINOR SECTION 3구간으로 설계를 하였고 MAJOR SECTION 은 하나 뿐이 단순한 설계입니다.
2) SPLICING 과 CROSS BONDING을 하는 SPLICING BED의 그림입니다.


앞쪽과 뒷쪽의 햇치 부분은 잘 보이진 않는데 SNAKE ZONE 이란 곳입니다. SPLICING이 혹시 실패할 경우를 대비하여 이 구간에서 CABLE을 좌우나 아래위로 구부려 배치해서 여유분의 케이블을 두는 곳입니다. 실제로 현장에서 SPLICING 이후에 TEST에서 FAIL이 발생하여 SPLICING을 새로 했는데 이때 이 케이블 여유분이 있어서 무사히 작업을 마쳤던 경험이 있습니다.
CROSS BONDING을 하게 되면 LINK BOX가 설치가 되는데 이 LINK BOX를 설치하기 위해서 아래 윗쪽에 조그만 HAND HOLE을 설치하고 그 안에 LINK BOX를 두게 됩니다.

LINK BOX의 도면입니다. 제조회사마다 다른 형태이니 참고만 하시기 바랍니다.


당시 사용했던 SPLICING KIT입니다. MODULE TYPE입니다.
여기는 SHEATH를 뽑아내는 케이블에 동축 케이블을 사용하여
하나의 케이블로 두개의 SHEATH를 모두 연결했습니다.

위에 설명한 상세한 내용은 국내 프로젝트에서 154KV 케이블 설계한 내용과는 조금 다른 부분이 있을 수 있습니다. 개념적인 부분은 모두 같지만 SPLICING KIT 나 LINK BOX, 기타 부속 ACCESSORIES 들은 다를 수 있음을 참고해 주시기 바랍니다.
설계 엔지니어가 모든 것을 다 알 수 는 없습니다. VENDOR의 SPECIALIST 보다 더 잘 알 수 도 없습니다. 그래서 VENDOR와 긴밀히 협력하는 것이 필요합니다. 저도 이 부분에 대해서 공부할때 대한전선 담당자를 많이 괴롭혔습니다. 이 지면을 통해 감사를 전하고 싶습니다.
154KV 가 아닌 MEDIUM VOLTAGE 케이블에 CROSS BONDING을 적용해야 하는 분은 더 많이 공부하셔서 직접 설계도하고 자재도 구매하는데 어려움 없으셨으면 좋겠습니다.
2. CROSS BONDING을 적용하면 어떤 점이 좋을지 생각해 보셨나요?
IEC 60237의 계산 방식을 따라서 허용전류를 계산해 보면 CROSS BONDING을 하지 않을 수 없는 이유를 발견하게 됩니다. 가장 큰 이유가 허용전류가 크게 늘어납니다. SINGLE POINT BONDING은 케이블 길이 때문에 유기전압이 많이 발생해서 적용하기 어렵고 만약 SOLID BONDING을 적용해서 양단을 모두 접지하면 순환전류로 인해서 역기전력이 발생하고 이로인해 CORE에 저항이 커지고 실제로 흐를 수 있는 허용전류가 낮아지게 됩니다.
아래 그림은 이러한 차이를 보여주는 그래프입니다.

SOLID BONDING 과 CROSS BONDING의 차이가 허용전류 28%라는 놀라운 결과로 나타났습니다.
실제로 계산해 보시면 증명하실 수 있습니다. 일반적으로 발주처에서 사전 설계를 통해서 나오는 케이블 사이즈가 모두 CROSS BONDING을 적용한 결과 값이기 때문에 SOLID BONDING으로 계산하면 케이블 사이즈가 몇단계 커지는 것을 볼 수 있습니다
CROSS BONDING의 효과를 충분히 이해하고 실제 업무에 적용하시면 좋을 것 같습니다. 초고압은 케이블 업체에 맡기고 33KV 이하는 직접 핸들링 하실 수 있는 실력을 키우는데 도움이 되기를 바랍니다.
3. SVL (Sheath Voltage Limiter)의 선정 방법
Single Point Boding 이나 Cross Bonding을 적용할 때 필요한 것 중의 하나가 SVL입니다. 적정한 SVL 정격을 선정하여 설치해야 하는데 어떤 기준으로 어떻게 SVL을 선정하는 지에 대하여 외국의 자료를 참조하여 설명 드리려고 합니다.
저도 프로젝트를 하면서 적정한 SVL 정격을 찾는데 어려움을 격었고 여러번의 구글 검색을 통해 자료를 찾고 계산했던 경험이 있어서 그 경험을 나누고자 합니다
1) SVL 과 LINK BOX

SVL은 LINK BOX 내에 설치가 됩니다. SVL이 없는 SOLID BONDING LINK BOX가 있고 또 SVL이 있는 CROSS BONDING LINK BOX 가 있습니다.
위의 그림은 RAYCHEM 사의 MEDIUM VOLTAGE 용 LINK BOX의 사진입니다. 오른쪽 그림에서 애자 처럼 보이는 부분이 SVL입니다. S.A 나 L.A와 같은 모양이고 또 비슷한 역할을 합니다.
2) SVL 선정 방법

(1) SVL은 정상부하나 비상부하 상태에서의 시스 유기전압과 동일하게 인가된 전압에서 연속적으로 운전하기에 적합해야 합니다.
(2) SVL은 SVL에 인가된 과도 과전압에 의해 발생되는 에너지를 감당할 수 있도록 설계되어야 합니다.
(3) SVL과 시스 연결 절연물 (Insulator)은 외부 케이블 사고를 포함하여 시스템 고장으로 발생하는 과전압을 견딜 수 있어야 합니다.
(4) SVL Data 특성에서 선정된 SVL이 시스의 정격전압보다 낮은 잔류 전압 (Residual voltage)을 가지는지 체크해야 합니다. (SVL의 주요 기능이 이러한 상태 하에서 시스을 보호하는 것이기 때문임)
(5) 시스를 접지하기 위해 사용된 케이블은 이 전압을 견딜 수 있어야 합니다. (고압케이블 적용)

예제를 가지고 SVL을 선정해 보겠습니다. 위 그림의 예제를 참조해 주시기 바랍니다.
(1) 케이블의 물리적 칫수를 확인합니다. S = 상간 간격, d = 시스의 직경
(2) S/ d 값을 계산합니다. 여기서는 5가 됩니다.
(3) IEEE 575 의 그림1에서 시스 전압을 체크합니다. (아래 그림 참조)

(4) 이 그림에서 S/d = 5를 찾으면 Flat Formation의 바깥쪽 케이블의 시스 전압은 200V/kM로 찾아집니다.
(5) 케이블 길이를 고려한 총 시스 전압을 계산하면 케이블의 길이가 1000m이므로
V = L x Vg x I = 1 x 200 x 17.5 = 3400V rms
여기서 I 값은 계산된 단락전류 (kA) 입니다.
(6) 위의 값을 그래프가 아닌 수식으로 계산하는 방법이 아래 그림에서 설명됩니다.

윗 그림에서 그래프로 산출한 값 200V와 큰 차이가 없음을 확인할 수 있습니다.
(7) SVL 의 선정

VENDOR의 카다로그에서 MCOV (Maximum Continuous Operating Voltage)의 값이 위의 계산된 3400V를 초과하는 SVL을 선정하면 됩니다. 케이블 길이가 2배로 늘면 2배의 전압에 해당하는 것을 선택하면 되지만 SINGLE POINT BONDING 이나 CROSS BONDING에서 한 구간의 길이는 500M 근처로 선정하기 때문에 실제로는 검토할 필요가 없습니다.
아래 표는 MEDIUM VOLTAGE에서 많이 사용하는 RACHEM의 SVL 선정 표입니다. 3KV 와 6KV 두가지 전압이 있습니다.

'전기 Engineering > 전기 시스템의 계산과 분석' 카테고리의 다른 글
| IEC 60287 케이블 사이징 - 플로우 차트와 AC 저항 계산 (1) | 2023.10.24 |
|---|---|
| IEC60287에 따른 케이블 사이징 개념 설명 (0) | 2023.10.21 |
| 케이블 본딩 시스템(Cable Bonding System)의 모든 것 (1) | 2023.10.18 |
| 고압 케이블의 시스(Sheath) 유기 전압과 순환 전류 (1) | 2023.10.17 |
| 저압 전동기의 보호 방식에 대하여 (Low Voltage Motor Protection) (0) | 2023.09.28 |