1. SPD의 주요 특성
1) 최대 연속 동작 전압

2) 최대 연속 동작 전압의 기준

3) 최대 연속 동작 전압의 표준 값

4) 전압 보호 레벨

5) 공칭 방전 전류



2. SPD의 연결 도체 설계
1) SPD 연결 도체의 길이 및 굵기 제한
연결도체의 길이는 주 회로에서 주 접지 단자까지 0.5m 이내로 제한됩니다.
또한 연결도체의 굵기는 1등급에서 16sq, 2등급은 6sq 이상을 사용해야 합니다.
(KEC 핸드북에서는 2등급에서 4sq로 설명하지만 이는 KEC 본문 내용이 아니므로 적용할 수 없고 아래의 KS C IEC 규격에 나온 것이 맞는 것으로 보아야 합니다.)
아래 자료 참조 (KS C IEC 60364-5-53)

장비 보호를 위한 필수적인 특성 중 하나는 장비가 단자에서 견딜 수 있는 최대 전압 보호 레벨(install Up)입니다. 따라서 장비 보호에 적합한 전압 보호 레벨(Up)로 SPD를 선택해야 합니다(그림 J38 참조). 여기서 연결 도체의 총 길이는
L = L1+ L2+ L3.
고주파 전류의 경우 이 연결부의 단위 길이당 임피던스는 약 1 µH/m입니다.
따라서 이 연결에 렌츠 법칙을 적용하면
ΔU = Ldi/dt
8kA의 전류 진폭을 갖는 규격화된 8/20 µs 전류파는 따라서 케이블 1미터당 1000V의 전압 상승을 발생시킵니다.
ΔU =1 x 10-6 x 8 x 103 /8 x 10-6 = 1000 V

결과적으로 장비 단자, U 장비에 걸친 전압은 다음과 같습니다:
U장비 = 업 + U1 + U2
L1+L2+L3 = 50cm이고 파형이 8/20 µ, 진폭이 8KΩ인 경우 장비 단자의 전압은 Up + 500V가 됩니다.
2) KEC 기준 설명


아래의 그림에 따르면 BS 7621에서는 SPD 연결도체의 길이가 0.5m 이내이어야 하며 1m를 넘어서는 안된다고 되어있습니다. 즉 max. 1m라고 볼 수 있습니다.

위의 그림들을 보면서 왜 SPD 연결 도체의 계산에서 Panel 내부의 도체 길이만 계산하는지에 대한 의문이 들었습니다. 실제 접지까지는 Panel에서 Main Earthing Terminal 과 접지봉까지가 남아있는데 왜 이부분은 계산에 포함 시키지 않는지 궁금했습니다. 자료를 찾아보니 아래 그림과 같은 자료를 찾았습니다.
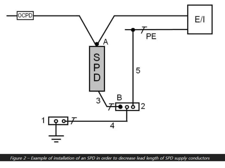
위의 자료에서 보듯이 SPD의 연결 도체의 총 길이는 0.5m 이내로 제한됩니다. 이러한 요건을 충족하기 위해 주 보호 도체는 필요한 경우 중간 접지 단자를 추가하여 SPD에 가능한 한 가까운 곳에 위치한 접지 단자에 연결해야 합니다(그림 2의 그림 참조).
아래의 그림 2에 따라 연결 도체의 총 길이를 결정하기 위해 다음 케이블 길이는 고려하지 않습니다:
- 주 접지 단자에서 중간 접지 단자까지
- 중간 접지 단자에서 PE-컨덕터까지9
SPD와 주 접지 단자 사이의 케이블 길이(및 따라서 인덕턴스)는 최소로 유지되어야 합니다. SPD는 PE에 연결되고 IEC 60364-5-54에 따른 보호 도체 요건을 충족하는 경우 금속 부품(예: 어셈블리의 금속 인클로저)을 통해 주 접지 단자 또는 보호 도체에 연결될 수 있습니다. 주 접지 단자와 주 보호 도체 외에 관련 SPD를 연결하면 전압 보호 수준이 향상될 수 있습니다.
위 그림에서 정의한 총 배선 길이(a + b + c)가 0.5 m를 초과하는 경우 다음 옵션 중 하나 이상을 선택해야 합니다:
- 전압 보호 레벨이 낮은 SPD를 선택합니다. (10kA(8/20)의 방전 전류를 전달하는 1m 길이의 직선 케이블에 약 1,000V의 전압 강하가 추가됨)
- 전압 보호 레벨을 보호 장비의 정격 임펄스 전압에 맞게 조정할 수 있도록 보호 장비 가까이에 두 번째 조정된 SPD를 설치합니다
- 아래의 그림 2에 설명된 설치 방법을 사용합니다.


3. SPD의 보호 거리
이는 SPD가 최대 10m의 '효과적인' 보호 거리를 제공하기 때문인데, 즉 SPD와 보호 대상 장비 사이의 거리가 10m 이상이면 SPD를 추가로 제공해야 합니다. 이 경우 유의해야 할 중요한 점은 SPD와 장비 사이의 물리적 거리보다 케이블의 '실제' 길이를 계산해야 한다는 것입니다.



위의 보호거리 규정에 따르면 SPD를 설치해도 10m가 넘어가면 보호 효과가 떨어지기 때문에 별도의 SPD를 추가해야 한다는 것입니다. 여기에는 다음과 같은 조치 방법들이 있습니다.
- 보호할 장비에 가능한 한 가까운 곳에 추가로 SPD를 설치해야 합니다. 전압 보호 레벨 UP은 어떤 경우에도 장비의 필요한 정격 임펄스 전압 UW를 초과하지 않아야 합니다;
- 설치 위치 또는 설치 위치 근처에서 1포트 SPD를 설치합니다. 전압 보호 레벨 UP은 어떤 경우에도 보호할 장비의 필요한 정격 임펄스 전압 UW의 50%를 초과하지 않아야 합니다. 이 조치는 전체 보호 회로에서 차폐 배선의 사용과 같은 다른 조치들과 함께 사용되어야 합니다.
- 설치 위치 근처에서 2포트 SPD를 사용합니다. 전압 보호 레벨 UP은 어떤 경우에도 보호할 장비의 필요한 정격 임펄스 전압 UW를 초과하지 않아야 합니다. 이 조치는 전체 보호 회로에서 차폐 배선의 사용과 같은 다른 조치와 함께 시행되어야 합니다.
참고 자료: https://www.asutpp.com/connections-of-the-surge-protective-devive-spd.html#google_vignette
'전기 Engineering > 피뢰와 접지' 카테고리의 다른 글
| Touch Voltage (접촉 전압) 이해 (0) | 2024.04.02 |
|---|---|
| 고압 계통의 중성점 접지방식 (2) | 2024.01.03 |
| SPD (Surge Protective Device)의 이해 (1) (0) | 2023.12.13 |
| SPD (Surge Protection Device)의 원리 (1) | 2023.12.11 |
| 접지와 중성선 사이에 발생하는 전압 (NTGV - Neutral to Ground Voltage) (3) | 2023.12.06 |