비상전원 장치라는 것은 정전이 되었을 때 전원을 공급하기 위하여 사용되는 장치들입니다. 대표적으로 비상발전기가 있습니다. 비상 발전기는 앞의 포스팅에서 설명하였으므로 여기서는 발전기를 제외한 다른 비상 전원 장치를 알아보겠습니다. 일반적으로 다음의 세 가지 비상 전원 장치가 있습니다.
1) DC 전원 장치 Battery Charger
2) 무정전 전원 장치 UPS
3) 에너지 저장 장치 ESS
[1] DC 전원장치 (Battery Charger)
Battery Charger (배터리 충전기)에 대하여 검토해 보겠습니다.
1. Battery Charger의 원리
1) 단선도 (Single Line Diagram)
Battery Charger는 AC를 DC로 변환하여 Battery를 충전하고 DC 부하를 공급하는 역할을 합니다. 주요 부품으로는 TR, 정류기 (Converter), 안정기, Dropper (전압강하기), 그 외 차단기로 구성됩니다. 아래의 단선도는 Gutor에서 제출했던 도면의 Copy입니다.

2) 충전 방식
(1) 부동충전 - 부동충전 방식은 전지의 자기 방전을 보충하는 동시에 상용 부하에 대한 전력 공급은 충전기가 부담하고 충전지가 부담하기 어려운 일시적인 대전류는 축전지가 함께 부담하게 하는 방식입니다. 연축전지는 2.15~2.20V, 알칼리 축전지는 1.42 ~ 1.50V입니다. 단 이 전압은 메이커마다 조금씩 다르며 전압을 낮추기 위해서 최대한 낮은 전압을 요구하기도 합니다. 이 전압이 낮아지면 충전시간이 길어질 수 있습니다.
(2) 균등충전 - 부동 충전 방식을 사용하여 다수의 전지를 충전하면 전압이 서로 불균일하게 충전되어 서로 전위가 다를 수 있는데 이를 보정해 주는 방식이 균등 충전입니다. 정전으로 인한 방전 후 복전시 균등충전을 통해서 빠른 충전을 시킵니다. 균등충전 방식은 대략 125~129V의 전압으로 약 1~3개월에 한 번씩 실시되며 연 축전지는 2.4 V ~2.5 V, 알칼리 축전지는 1.45 V ~ 1.7 V 전압을 인가합니다. 단 이 전압은 메이커마다 조금씩 다르며 전압을 낮추기 위해서 최대한 낮은 전압을 요구하기도 합니다. 이 전압이 낮아지면 충전시간이 길어질 수 있습니다.
3) Battery 특성
BATTERY의 방전 종지 전압은 BATTERY의 용량 선정에 많은 영향을 미칩니다. 종지 전압이 높으면 더 큰 용량의 BATTERY를 사용해야 합니다.
(1) LEAD-ACID BATTERY (연축전지)
- 공칭전압: 2V/CELL
- 방전시간율: 10HR
- 방전종지전압: 1.8V/CELL (이 전압은 발주처의 요구에 따라서 달라질 수 있습니다.)
(2) NI-CD BATTERY (알칼리 축전지)
- 공칭전압: 1.2V/CELL
- 방전시간율: 5HR
- 방전종지전압: 1.0V/CELL (이 전압은 발주처의 요구에 따라서 달라질 수 있습니다.)
(3) 보수율 (L): 말기 수명에도 부하를 만족하는 용량 결정을 위한 계수로 일반적으로 0.8 적용
(4) BATTERY는 주변 온도에 따라 용량에 영향을 받으므로 메이커의 자료에 따라 추가로 보정을 할 필요가 있습니다. 온도 보정 계수가 BATTERY 용량 계산 시 반영되어야 합니다.
2. BATTERY 용량 산출
1) 부하의 종류
(1) 지속 부하: PROTECTION RELAY, LAMP, AUX RELAY 등의 지속적으로 유지되는 부하
(2) 차단기 동작 부하
a) SPRING CHARGING MOTOR
b) 개별 차단기의 CLOSING 부하
c) 모든 차단기가 동시에 TRIP 되는 부하 - 정전 시 차단기 TRIP
(3) DC MOTOR 부하 – 간혹 COMPRESSOR 등의 보조 PUMP가 DC MOTOR로 되는 경우가 있음. 별도의 DC MOTOR STARTING 고려
2) 부하 리스트
상기의 부하 종류를 기준으로 부하 리스트를 작성합니다. 부하 리스트에는 BATTERY의 방전 시간대 별로 소비 전력이 표시되어야 합니다. 그래서 각 방전 그래프와 함께 검토해야 합니다.
기들이 UPGRADE 되면서 소비 전력이 줄어드는 경향이 있습니다. 따라서 예전 부하 리스트가 있다면 최신 자료를 바탕으로 수정할 필요가 있습니다.
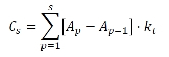
3) BATTERY 용량 계산 식

아래 식은 IEEE 485에 있는 수식인데 위의 수식에서 AGING FACTOR (보수율)을 적용하지 않은 수식과 동일합니다. 여기서 용량환산계수 kt를 구하는 방법에 대해서 검토하고 넘어가겠습니다.

아래의 설명에서 보여주고 있듯이 kt 용량환산계수는 사용할 BATTERY의 시간율과 실제 적용되는 시간율에서의 방전 전류가 다르기 때문에 이를 보정하기 위해 사용하는 계수입니다.


ESE 471 - BATTERY STORAGE SYSTEM에서 발췌
4) 샘플 용량 계산 (전기기사 시험 문제에서 발췌)
이 경우는 K (용량환산계수)가 미리 주어진 경우입니다.

5) 샘플 계산 (실제 프로젝트에서 UPS 업체 계산 자료)

위의 방전 그래프에 따라서 아래에 용량을 계산하였습니다. BATTERY 용량 계산식은 아래와 같은 표를 만들어서 계산하는 것이 일반적입니다. 위 그래프의 각 시간별 SECTION에 대하여 용량을 계산한 후에 가장 큰 값을 선택합니다. 1-5번 열은 그래프 상의 데이터를 숫자로 옮긴 것입니다. 6번 열은 K (용량환산계수)로서 10 시간율 BATTERY에 대하여 계산한 것입니다. 3) 항에서 설명한 내용을 참조 바랍니다.

최종 CORRECTED SIZE는 계산된 값 280.59 보다 많이 높은 416.61AH로 나왔는데요, 이는 온도 보정, 설계 마진, 보수율 (AGING FACTOR)를 고려한 값입니다. 산출 숫자가 조금 다릅니다. 그리고 방전종지전압은 1.764V/CELL이라고 표시되어 있습니다. 이 최종 산출값에 맞는 BATTERY TYPE을 선정했습니다.

시험 문제에서는 간단하게 보수율만 고려했지만 실제의 계산에서는 설치 지역의 온도에 대한 고려, 부하가 증가할 것을 고려한 설계 마진을 추가했습니다. 이 내용도 중요한 사항이므로 설계하시는 분들은 참조 바랍니다.
3. BATTERY CHARGER 용량 산출
B/C의 용량은 BATTERY와 조금 다릅니다. B/C는 완전 방전이 되었을 때에 BATTERY를 충전하면서 동시에 부하에 전력을 공급할 수 있는 용량을 가져야 합니다. 아래 자료에서 잘 설명하고 있습니다. 수식은 방전된 용량에 재충전을 위해서 추가로 공급해야 하는 비율을 곱하고 이 것을 요구되는 충전시간 (보통 8-10시간)으로 나누면 BATTERY의 충전에 요구되는 전류값을 구하게 됩니다. 여기에 운전 중인 부하전류를 더하면 충전기 용량이 나오는데 실제는 여기에다 설계마진을 더해야 합니다. 재충전율은 BATTERY 회사에서 받든지 아니면 아래 자료에서 제시한 값을 사용해도 됩니다.


HINDLE POWER의 JF5045-00에서 발췌
일반적으로 100A 가 넘는 BATTERY CHARGER는 필요하지 않은 것 같습니다. 제 경험상도 그렇습니다. 100A를 넘는다면 무언가 계산에 오류가 있을 가능성이 매우 높습니다.
4. BATTERY CHARGER에 대한 주의 사항
BATTERY의 FLOATING 충전 전압은 BATTERY의 공칭 전압보다 높습니다. 그래서 예전에는 BATTERY CHARGER에 DIODE DROOPER라고 해서 전압을 낮추는 장치를 삽입해서 부하 전압에 맞추고 정전 시에는 MC를 이용해서 DROOPER를 BY-PASS 시켰습니다. 그런데 이 DROOPER가 고장이 나는 경우가 있고 열이 나고 해서 사용을 안 하는 경향이 생겼습니다. 이 경우 FLOATING 전압이 그대로 부하에 전달되는데 FLOATING 전압을 최대한 낮춰도 정격전압의 +10% 정도는 되는데 이렇게 10% 높은 전압이 상시에 인가되면 SWGR의 많은 부품들이 고전압으로 손상되는 경우가 많습니다.
제 경험에도 VCB의 보조 코일이 소손되는 문제가 발생해서 교체한 경험이 있습니다. 그래서 이런 경우에는 SWGR 업체에 BATTERY CHARGER의 전압에 견딜 수 있도록 고려할 것을 사전에 요구해야 합니다. 특히 EQUALIZING (균등충전)시의 전압은 더 높아서 기기에 손상을 줄 수 있습니다.
[2] 무정전 전원 장치 (UPS)
무정전 전원장치 UPS는 플랜트에서 아주 중요한 전기 설비입니다. 플랜트 전체를 제어하는 DCS의 전원으로 정전 시에도 DCS와 관련 시스템들을 안정적으로 운전하게 해주는 설비로 고장 나거나 필요할 때 전원을 공급하지 못하면 큰 문제가 발생하게 됩니다. 그래서 제품의 안정성이 매우 중요하고 플랜트에서는 대부분 BY-PASS 라인과 BACK-UP을 해줄 UPS를 별도로 설치하는 것이 일반적입니다.
1. UPS의 원리
1) UPS의 정의
평상시 부하에 안정적인 전력을 공급하며 정전 시에도 전원의 끊김이 없이 부하에 일정 시간 동안 전력을 공급할 수 있도록 하는 장치.
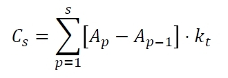
2) UPS 단선도
아래의 단선도는 Dual Type UPS입니다. 동일한 UPS 두 대가 설치되어 유사시 바로 사용할 수 있는 HOT STANDBY 시스템으로 되어있습니다.

3) Block Diagram
BLOCK DIAGRAM을 보면 UPS의 주요 설비가 보입니다. CONVERTER, INVERTER, BATTERY, AUTOMATIC TRANSFER SWITCH, BY-PASS LINE 그리고 DISTRIBUTION BOARD 등입니다.

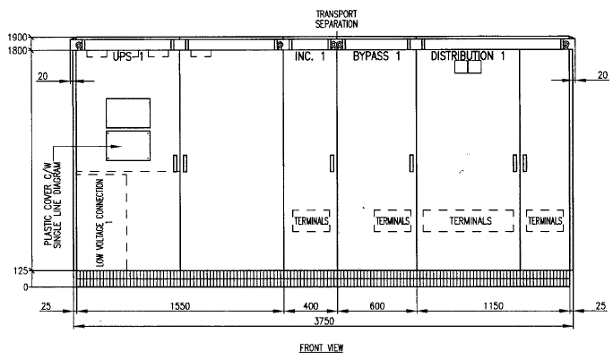
4) 외형도 (OUTLINE DIAGRAM)
아래의 도면은 GUTOR 사의 UPS 외형도입니다. 한 세트의 UPS에 대한 외형도이며 DUAL SYSTEM에서는 동일한 외형의 PANEL이 1세트 더 있습니다. UPS는 반도체 소자로 인해서 열이 많이 발생합니다. 따라서 냉각 시스템도 매우 중요합니다. PANEL의 TOP 쪽에 냉각 팬이 설치되어 있으며 UPS 운전에 중요한 역할을 하고 있습니다.

5) 제어반 (CONTROL PANEL)
GUTOR의 UPS는 아래 그림과 같은 제어반을 가지고 있습니다. MIMIC 을 통해 어떻게 운전되고 있는지를 보여주며 각종 ALARM이 표시되고 DISPLAY SCREEN과 CONTROL BUTTON들이 설치되어 있습니다.

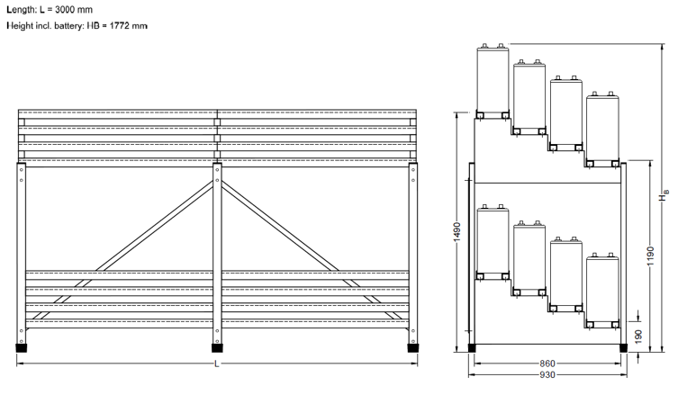
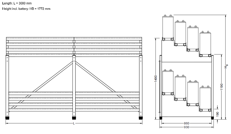
6) BATTERY RACK
UPS는 일반적으로 아래의 그림과 같은 RACK에 BATTERY를 설치하고 별도의 BATTERY ROOM 내에 배치합니다. 평상시의 유지관리를 위해서 적절한 공간을 확보하는 것이 중요합니다. RACK은 접지되어야 합니다.

2. UPS의 용량 산출
1) 부하 목록 (LOAD LIST) - 다음과 같은 부하 종류가 있으며 추가될 수 있습니다.
(1) DCS / ESD
(2) F&G
(3) FIELD LCP
(4) ANALYSER
(5) TELECOM SYSTEM
(7) CCTV
(8) PMS
(9) EMERGENCY LIGHTING
(10) EMERGENCY L.O PUMP
(11) ETC.
2) 수용률 (DEMAND FACTOR)과 부하율 (LOAD FACTOR)
계장팀이나 기계팀에 각 기기에 소요되는 UPS 용량을 요청하면 VENDOR들이 제공하는 자료를 주는데 여기에는 많은 문제가 있습니다. 실제로 설치된 POWER SUPPLY의 용량을 단순히 합해서 주는 수준입니다. 만약 이 용량을 다 더해서 UPS의 용량으로 산출하면 실제 소요에 비해서 엄청나게 큰 UPS 설비를 하게 되며 실제 운영 부하율은 매우 낮게 나오게 될 것입니다.
일반적인 부하들은 PEAK LOAD와 OPERATING LOAD의 두가지 용량을 가지고 있습니다. 그리고 INRUSH CURRENT의 특성도 가지고 있습니다. VENDOR들에게서 OPERATING LOAD를 받는 것이 중요합니다. 경험에 의하면 개별 부하의 설비용량과 실제 사용량을 나타내는 수용률은 50% 이하입니다. 전체 부하 용량 중에서 동시에 운전되는 부하용량을 나타내는 것이 부등률인데 이 부등률은 70%가 일반적입니다.
필요한 전체 UPS 용량을 계산할 때 위의 내용을 잘 검토하여 적용해야 적절한 UPS 용량을 산출할 수 있습니다. 이렇게 산출해도 여기에 FUTURE 용량을 더하고 설계 마진을 더하면 실제 운전 용량은 50%를 넘지 않게 됩니다.
3) UPS 용량 계산
다음의 식으로 UPS의 용량을 계산합니다. 여기서 N은 UPS의 수량입니다. 즉 전체 용량을 몇 대의 UPS로 커버할 것인지를 결정하여 UPS 수량을 정하는 것입니다. SK이노베이션에서는 UPS를 단상 60 KVA 이하로만 사용한다고 들었습니다. 이는 UPS의 용량이 커지면 고장의 위험도 커지고 또 3상으로 해도 고장의 위험이 커진다고 합니다. 그래서 오랜 경험으로 그렇게 사용한다고 공장의 전기 담당 임원에게서 들었습니다.

제 경험으로도 3상 210KVA 220V UPS를 만들었었는데 현장에서 시운전하면서 내부 기판도 타고 여러 문제를 많이 일으켜서 실제로 안정적인 운전을 하기까지 많은 시행착오를 거쳤었습니다. 가급적 한대의 UPS 용량은 너무 크지 않아야 한다고 생각합니다.
UPS 용량에서 함정이 하나 있습니다. 위의 단선도를 참고로 보시기 바랍니다. UPS의 용량은 부하에 공급하는 용량으로 표시됩니다. 이것은 축전지 설비 (BATTERY CHARGER)가 부하용량과 배터리 충전용량을 더한 용량으로 표시하는 것과 차이가 있습니다. UPS 용량은 부하용량이기 때문에 정전 후 복전시 UPS에 들어가는 용량은 부하용량에 배터리 충전용량을 더한 값이 됩니다. 이 용량은 UPS 업체가 설계해서 반영합니다. BLOCK DIAGRAM에서 DC에서 AC로 변환하는 INVERTER의 용량만이 UPS 용량으로 표시되는 것입니다. AC를 DC로 바꾸는 CONVERTER의 용량은 INVERTER 용량 + BATTERY 충전용량이 되어야 합니다. 그래서 비상발전기 용량을 산출할 때 이와 같이 UPS의 전체 용량을 반영해야 합니다. UPS의 입력 쪽 차단기 등은 출력 쪽 차단기보다 용량이 커야 됩니다.
4) 배터리 용량 산출 (BATTERY CAPACITY CALCULATION)
(1) IEEE 485 LEAD ACID BATTERY


(2) IEEE 1115 Ni-Cd BATTERY


BATTERY 용량 계산에 대한 자세한 설명은 축전지 설비 포스팅을 참조하셔도 됩니다. LEAD ACID BATTERY와 Ni-Cd BTATTERY에 대한 각각의 IEEE 표준을 참조하시면 좋습니다.
3. UPS의 주의 사항
1) BATTERY CHARGER의 열 손실 고려 (HVAC 용량에 영향) - UPS는 별도의 ROOM에 설치하거나 HVAC의 냉기가 나오는 인출구 쪽에 설치하는 것이 좋습니다.

2) 용량이 커지고 3상 UPS를 적용하면 ERROR 발생할 가능성이 높아진다. (PLANT의 UPS는 안정성이 가장 중요)
3) 여유 있는 SPARE FEEDER 준비 – 예상하지 못한 부하 증가 준비
4) UPS POWER를 사용하는 MOTOR 부하가 있는지 확인 – MOTOR STARTER 고려 (COMPRESSOR EMERGENCY LUBE OIL PUMP) 별도의 전용 UPS를 사용해야 합니다. 기동 시 전압강하 영향을 배제하기 위함.
5) 항공장애등을 UPS 전원으로 사용하도록 요구되는 경우에는 별도의 전용 UPS를 사용해야 합니다. 램프가 깜빡일 때 전원이 헌팅을 하기 때문에 공동으로 사용하면 다른 기기에 전압이 변동되는 악영향을 미칠 수 있습니다.
[3] 에너지 저장 장치 (ESS)
전기 저장 장치 정의: ESS는 Energy Storage System의 약자로, 에너지 저장 장치를 의미합니다. 에너지를 저장하고 있다가 알맞게 전력을 공급해 주는 역할을 하는 것입니다.
1. ESS 시스템의 구성요소
ESS는 배터리 (셀, 모듈, 팩), PCS, EMS, BMS 등으로 이루어져 있습니다.

1) 배터리
배터리의 ‘셀’은 가장 작은 단위로, 각각 에너지를 충전, 방전합니다. 셀의 부피당 용량이 높은 것이 좋기 때문에 ESS의 배터리를 고를 때 중요한 기준이 됩니다. 이러한 셀들을 외부 충격으로부터 보호하기 위하여 한 프레임에 넣은 것을 ‘모듈’이라고 부릅니다. 그리고 이러한 모듈들을 모아 BMS와 함께 하나의 ‘팩’으로 탑재를 하게 됩니다.

2) PCS
PCS는 교류를 직류로, 혹은 전압의 크기나 주파수 등과 같은 전력의 특성을 변환하는 장치입니다. ESS에서의 PCS는 저장된 직류 전원을 교류의 계통 전원에 연계하는 인버터, 그리고 배터리에 저장시키는 과정에서 교류를 직류로 바꾸는 컨버터 역할을 동시에 합니다. (양방향 PCS)
3) BMS
BMS는 Battery Management System의 약자로 배터리의 상태에 따라 제어하는 역할을 합니다. 모듈의 셀 간 충방전 정도를 동일하게 유지하거나, 과충전을 방지하는 등의 기능뿐 만 아니라, EMS와의 통신을 통해 배터리 관련 정보를 전달합니다.
4) EMS
EMS는 Energy Management System의 약자로, PCS와 BMS의 상태를 비롯한 ESS의 전반적인 정보를 수집하고 모니터링하는 역할을 합니다.
ESS 시스템에 적용되는 EMS는 PCS와 BMS를 감시하고 제어하는 역할을 하게 됩니다. ESS에서의 EMS는 배터리의 충, 방전에 국한되어 있기 때문에 PMS(Power Energy System)로 불리기도 합니다.
2. ESS의 용도
1) 신재생에너지 출력 보완
먼저 발전 단계에서 ESS는 신재생에너지와 연계되어 신재생에너지의 간헐적인 발전량을 보완해 주는 역할을 합니다. 태양광이나 풍력 발전은 해가 비치거나, 바람이 불 때만 발전을 하게 되며, 이로 인해 출력이 매우 불안정합니다. 연계된 ESS는 고품질의 전력을 안정적으로 공급하는 데 도움을 줍니다
2) 주파수 조정
송전 중에 공급과 수요의 차이로 인해 주파수 변동이 일어나게 되는데, ESS의 주파수 조정 기능으로 전력 시스템의 품질을 향상시킬 수 있습니다
3) 비상용 전원
부하 측에서는 정전 시에 UPS와 같은 용도로도 사용될 수 있습니다. 자연재해나 지락 및 단락 사고로 인해 발전소에서의 전력 공급이 중단된 경우 ESS에 저장된 에너지로 부하에 전력을 안정적으로 공급할 수 있습니다.
4) 첨두부하 저감
마지막으로, 전력 수요가 적을 때, 즉 전력 요금이 저렴할 때 전력을 저장했다가, 비싸고 전력 수요가 많을 때 방전하며 첨두부하를 저감하는 용도로 사용될 수 있습니다. 이러한 경우에는 전력 공급자와 ESS 사용자 모두에게 이득이 될 수 있습니다.
3. ESS의 주의 사항
1) KEC 510의 규정 준수 – 폭발 위험을 고려한 규정
2) 2020년 2월 현재 1,622개 사업장에 ESS가 보급되었으며, 이 중 28개 사업장에서 ESS 화재 사고가 발생하여 사업장 기준으로 화재 발생 확률은 1.73%를 보이고 있다. (충분한 보호 대책 수립 필요)
3) 석유화학 PLANT에서 사용된 사례에 대한 충분한 STUDY가 필요하다.
4. ESS 시장 상황
1) 재생에너지 성지 제주도에 ESS 보급 - 태양광, 풍력 단점 보완 (경향신문 23/08/18 보도)
산자부는 17일 제주 전력 수급 안정화와 재생 에너지 출력 제어 문제 완화를 위해 ESS로 전력이 남아돌 때는 저장한 뒤 부족할 때 사용해 전력 수급을 안정화하겠다는 계획이다. 이를 위해 260MWH 규모의 배터리 ESS 사업 입찰 공고를 낼 계획이다. 이는 65MW 전력을 4시간 동안 충전해 보관할 수 있는 용량이다.
장주기 에너지 저장 장치 (ESS) - 정격 출력으로 4시간 이상 방전이 가능한 ESS, 대표적으로 바나듐 레독스플로우 배터리 (VRFB)가 있다. 사용할수록 수명이 줄어드는 기존의 리튬이온 배터리와 달리 수명도 줄어들지 않고 화재 위험도 상대적으로 적다는 장점이 있다. 소형화가 어려운 단점이 있으나 공간 제약이 크게 없는 ESS 용으로는 적합하다.
2) 배터리 빅3, ESS 재탈환 시동 가성비, 안전성으로 중국 넘는다. (23년 8월 1일자 매일경제 뉴스)
LG에너지솔루션은 LFP배터리를 중심으로 공급망을 재편하고 있다. 중국 난징에 있는 LFP용 배터리 생산라인에서 ESS용 제품을 생산하고 북미 ESS 시장도 중국 기업의 빈자리를 LFP배터리로 채운다는 계획이다. 삼성SDI는 ESS 시장에서도 강점을 가진 삼원계 배터리를 중심으로 대응하고 있다. 세계 ESS 배터리 시장이 LFP배터리 위주로 재편된다지만 여전히 부피 대비 용량은 삼원계 배터리가 월등하다는 판단 때문이다. SK온은 아직 ESS 보다는 전기차 중심의 성장 전략을 펼치고 있다. ESS용 제품도 일부 생산하고 있지만 전체 매출에서 비중이 미미하다.
3) 전기차 시장의 상승세가 예전만 못하는 요즘의 시점에서 ESS 용 배터리 시장은 중요한 의미를 가진다고 봅니다. 풍력이나 태양광이 커질 수 록 ESS의 필요성은 더욱 크게 다가옵니다. ESS가 없으면 전력제어가 거의 불가능하게 될 가능성이 높습니다. 지금도 제주도에서는 이러한 이유로 소송이 발생하고 있습니다. 그래서 정부도 제주도부터 ESS를 설치하려고 계획하는 것입니다. ESS 시장이 커지면서 배터리도 자동차용과 ESS 용으로 시장이 나누어지고 누가 그 시장을 선점할지 주목됩니다.
이상에서 비상전원장치에 대해 살펴보았습니다. 정전등의 비상 상황은 언제나 예상치 못한 시점에 발생하고 이로 인해 공장의 운전 정지로 인한 많은 손실이 예상됩니다. 그러나 이러한 상황에서도 상황을 통제하고 문제의 원인을 파악하는 등의 조작 제어 전원은 결코 상실되어서는 안 되기 때문에 비상전원 장치는 매우 중요합니다. 필요한 비상전원장치가 무엇인지 검토하고 적절한 비상전원 장치를 시설하는 것이 필요한 이유입니다.
'전기 Engineering > 전기 설비에 대한 모든 것' 카테고리의 다른 글
| 50HZ 전동기를 60HZ 전원에서 사용할 수 있을까요? (0) | 2023.09.13 |
|---|---|
| 전기 기자재 선정 기준 정리 (2) | 2023.09.11 |
| MV SWGR에 대한 주요 개념 이해 (0) | 2023.07.07 |
| 저압반 (LV SWGR)의 구조적 특성 이해 (0) | 2023.07.07 |
| 비상 발전기 용량 계산의 두 가지 방법과 결과 비교 (0) | 2023.07.03 |